Ejemplo: Cómo crear un programa de HSC
En este ejemplo se muestra cómo crear un programa de HSC que utilice un codificador de cuadratura e incluya una función del Interruptor programable de límite (Programmable Limit Switch, PLS).
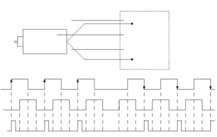
Codificador de cuadratura utilizado en el ejemplo
El ejemplo de programa de contador de alta velocidad (HSC) utiliza un bloque de funciones HSC y un contador de cuadratura con las entradas por fases A y B. El codificador de cuadratura determina la dirección de giro y la posición del equipo rotatorio, como un torno. El contador bidireccional cuenta el giro del codificador de cuadratura.
El siguiente codificador de cuadratura está conectado a las entradas 0 y 1. La dirección del recuento se determina según el ángulo de fase entre A y B:
- Si A sobrepasa a B, el contador se incrementa.
- Si B sobrepasa a A, el contador desciende.
Ejemplo de codificador de cuadratura

Crear un programa de HSC
Realice las siguientes tareas para crear, compilar y probar el programa de HSC, y agregarle una función PLS.
Entregue su opinión