Esempio: Come creare un programma HSC
In questo esempio viene illustrato come creare un programma HSC che utilizza un encoder in quadratura e include una funzione interruttore di fine corsa programmabile (PLS).
Encoder in quadratura utilizzato nell'esempio
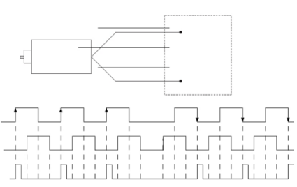
Nell'esempio di programma HSC si utilizza un blocco funzione dell'HSC e un contatore in quadratura con ingressi in fase A e B. L'encoder in quadratura determina la direzione di rotazione e la posizione dello strumento rotante, ad esempio un tornio. Il contatore bidirezionale conta le rotazioni dell'encoder in quadratura.
Il seguente encoder in quadratura è connesso agli ingressi 0 e 1. La direzione del conteggio è determinata dall'angolo di fase tra A e B:
- Se A porta a B, il contatore segna un incremento.
- Se B porta ad A, il contatore segna un decremento.
Esempio di encoder in quadratura

Creare un programma HSC
Eseguire le seguenti attività per creare, compilare e testare il programma HSC, quindi aggiungere una funzione PLS.
Passo | Attività |
|---|---|
Fornire un feedback