Exemplo: Como criar um programa de HSC
Este exemplo mostra como criar um programa de HSC que usa um codificador de quadratura e inclui uma função de Interruptor de limite programável (Programmable Limit Switch, PLS).
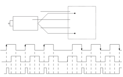
Codificador de quadratura usado no exemplo
O exemplo de programa de HSC utiliza um bloco de função HSC e um contador de quadratura com as entradas em fase A e B. O codificador da quadratura determina a direção da rotação e a posição do equipamento rotativo, como um torno mecânico. O Contador bidirecional conta a rotação do codificador de quadratura.
O codificador de quadratura a seguir é conectado às entradas 0 e 1. A direção da contagem é determinada pelo ângulo da fase entre A e B:
- Se A vier antes do B, o contador aumenta.
- Se B vier antes do A, o contador diminui.
Exemplo de codificador de quadratura

Criar um programa de HSC
Execute as seguintes tarefas para criar, compilar e testar o programa HSC e, em seguida, adicionar uma função PLS.
Dê sua opinião