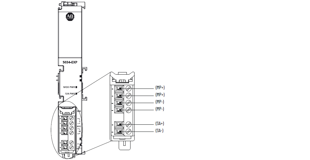
5034-EXP 和 5034-EXPXT 扩展电源 MOD 和 SA
5034-EXP 和 5034-EXPXT 图

属性 | 5034-EXP 和 5034-EXPXT |
|---|---|
支持的 MB 数 | 18...30 V DC 时为 16 10…18 V DC 时为 8 |
标称 MP 电压 | 24 V DC,安全超低电压 |
MP 电压范围 | 10…30 V DC,安全超低电压 |
标称 MP 电流 | 24 V DC 时为 420 mA |
最大 MP 电流 | 10 V DC 时为 550 mA (8 MB) 18 V DC 时为 590 mA (16 MB) 30 V DC 时为 370 mA (16 MB) |
最大浪涌电流 | 24 V DC 安全超低电压时为 6 A,持续 10 ms |
SA 电源工作电压范围 | 10…30 V DC,安全超低电压 |
SA 电源电流(最大值) | 10 A SA 电源 RTB 上的电流消耗不得超过 10 A。 |
无负载 SA 电源电流 | 2 mA |
BP 电压 | 16 V DC |
最大 BP 电流 | 250 mA (8 MB) 500 mA (16 MB) |
最大功耗 | 1.7 W |
最大热量损耗 | 5.8 BTU/hr |
绝缘电压 | 250 V(连续),基本绝缘,SA 到背板 250 V(连续),基本绝缘,SA 到 MP 60 V(连续),基本绝缘,MP 到背板 |
支持 RTB | 可拆卸端子块出厂时配有扩展电源。 您可单独订购额外的螺纹式 (5034-AENRTB-QTY5) 和推入式弹簧型 (5034-AENRTBS-QTY5) 可拆卸端子块。 |
接线类别 (1) | 2 - 电源端口 |
接线技术规范 | 关于可拆卸端子块接线技术参数,请参见 PointMax I/O 系统技术参数技术数据(出版号:5034-TD001) |
指示灯 | 1 个绿色模块电源状态指示灯 1 个绿色 SA 电源状态指示灯 |
近似尺寸(高 x 宽 x 深) | 131.7 x 20.0 x 75 mm (5.19 x 0.79 x 2.95 in.) |
近似重量 | 109 g (3.84 oz.) – 5034-EXP 111 g (3.91 oz.) – 5034-EXPXT |
防护罩类型 | 无(开放式) |
北美温度代码 | T4 |
UKEX/ATEX 温度代码 | T4 |
IECEx 温度代码 | T4 |
(1) 使用此导体类别信息制定导体布线计划。 请参见 Industrial Automation Wiring and Grounding Guidelines(出版号:1770-4.1)。 请按照相应系统级安装手册中的描述,使用该导线类别信息来规划导线布线。 | |
提供反馈