安全模式和安全脉冲模式接线图
以下接线图显示了安全模式和安全脉冲模式下的输入模块。
测试输出 (TO) 可关联到任何安全输入 (SI)。 一个 TO 最多只能连接到四个 SI。
在安全脉冲模式下,如果外部接线从同一 TO 点短路两个 SI,则无法检测到短路。因此,当处于安全脉冲模式时,从不同 TO 点连接两个 SI。
重要提示:
安全模块必须使用 SELV/PELV 认证的电源。
5034-IB8S 和 5034-IB8SXT – SIL 2、PLc、Cat. 单通道安全脉冲模式下为 2

- SI_n (n = 0…7)
- TO_m (m = 0...3)
- TO 配置为脉冲测试模式
SIL 等级和类别 | 故障排除 | 其他 | 点模式 |
|---|---|---|---|
SIL 2、PLc、Cat. 2 | 无 | 外部连接设备必须满足 SIL 3 等级要求 | 安全脉冲模式 |
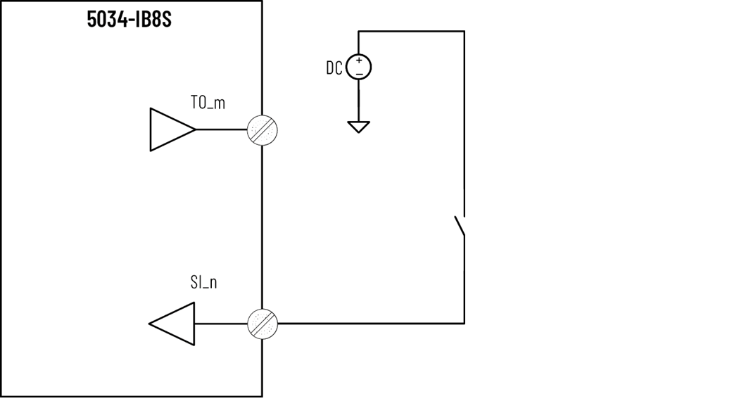
5034-IB8S 和 5034-IB8SXT – SIL 2、PLc、Cat. 单通道安全模式下为 2

- SI_n (n = 0…7)
- TO_m (m = 0...3)
- 电源模式或外部电源下的任何 TO 均可使用
SIL 等级和类别 | 故障排除 | 其他 | 点模式 |
|---|---|---|---|
SIL 2、PLc、Cat. 2 | 无 | 外部连接设备必须满足 SIL 3 等级要求 | 安全模式 |
5034-IB8S 和 5034-IB8SXT – SIL 3、PLe、Cat. 单通道安全脉冲模式下为 4

- SI_n (n = 0…7)
- TO_m (m = 0...3)
- TO 配置为脉冲测试模式
SIL 等级和类别 | 故障排除 | 其他 | 点模式 |
|---|---|---|---|
SIL 3、PLe、Cat. 4 | 外部接线故障 | 使用 SIL 3、PLe、Cat. 4 个合格传感器 | 安全脉冲模式 |
5034-IB8S 和 5034-IB8SXT – SIL 3、PLe、Cat. 单通道安全模式下为 4

- SI_n (n = 0…7)
- TO_m (m = 0...3)
- 电源模式或外部电源下的任何 TO 均可使用
SIL 等级和类别 | 故障排除 | 其他 | 点模式 |
|---|---|---|---|
SIL 3、PLe、Cat. 4 | 外部接线故障 | 使用 SIL 3、PLe、Cat. 4 个合格传感器 | 安全模式 |
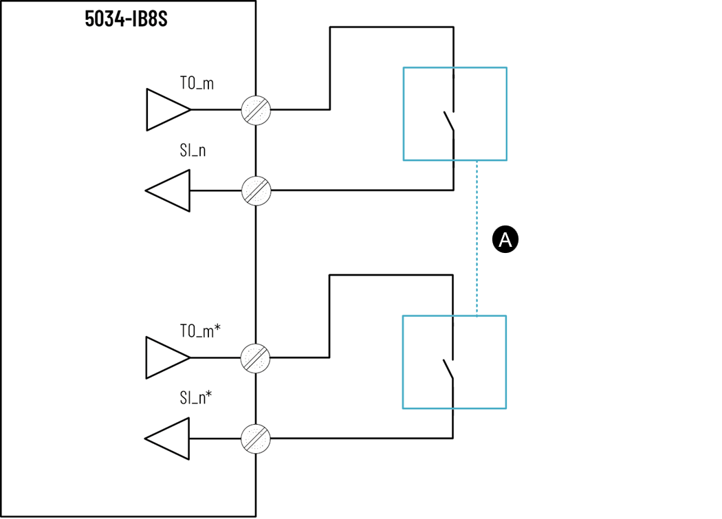
5034-IB8S 和 5034-IB8SXT – SIL 3、PLe、Cat. 4 安全脉冲模式下使用 2 个单通道

- A = 检测相同过程值的两个单通道传感器
- SI_n (n = 0…7)
- TO_m (m = 0...3)
- n ≠ n*
- m ≠ m*
- TO 配置为脉冲测试模式
SIL 等级和类别 | 故障排除 | 点模式 |
|---|---|---|
SIL 3、PLe、Cat. 4 | 无 | 安全脉冲模式 |
5034-IB8S 和 5034-IB8SXT – SIL 3、PLe、Cat. 4 安全模式下使用 2 个单通道

- A = 检测相同过程值的两个单通道传感器
- SI_n (n = 0…7)
- TO_m (m = 0...3)
- n ≠ n*
- 电源模式或外部电源下的任何 TO 均可使用
SIL 等级和类别 | 故障排除 | 点模式 |
|---|---|---|
SIL 3、PLe、Cat. 4 | 外部接线故障 | 安全模式 |
5034-IB8S 和 5034-IB8SXT – SIL 3、PLe、Cat. 4 安全脉冲模式下使用 2 个单通道

- A = 等效传感器
- SI_n (n = 0…7)
- TO_m (m = 0...3)
- n ≠ n*
- m ≠ m*
- TO 配置为脉冲测试模式
SIL 等级和类别 | 故障排除 | 点模式 |
|---|---|---|
SIL 3、PLe、Cat. 4 | 无 | 安全脉冲模式 |
5034-IB8S 和 5034-IB8SXT – SIL 3、PLe、Cat. 4 安全模式下使用 2 个单通道

- A = 等效传感器
- SI_n (n = 0…7)
- TO_m (m = 0...3)
- n ≠ n*
- 电源模式或外部电源下的任何 TO 均可使用
SIL 等级和类别 | 故障排除 | 点模式 |
|---|---|---|
SIL 3、PLe、Cat. 4 | 外部接线故障 | 安全模式 |
5034-IB8S 和 5034-IB8SXT – SIL 3、PLe、Cat. 4 安全脉冲模式下使用 2 个单通道

- A = 非等效传感器
- SI_n (n = 0…7)
- TO_m (m = 0...3)
- n ≠ n*
- m ≠ m*
- TO 配置为脉冲测试模式
SIL 等级和类别 | 故障排除 | 点模式 |
|---|---|---|
SIL 3、PLe、Cat. 4 | 无 | 安全脉冲模式 |
5034-IB8S 和 5034-IB8SXT – SIL 3、PLe、Cat. 4 安全模式下使用 2 个单通道

- A = 非等效传感器
- SI_n (n = 0…7)
- TO_m (m = 0...3)
- n ≠ n*
- 电源模式或外部电源下的任何 TO 均可使用
SIL 等级和类别 | 故障排除 | 点模式 |
|---|---|---|
SIL 3、PLe、Cat. 4 | 外部接线故障 | 安全模式 |
提供反馈