5034-IB8 和 5034-IB8XT 数字量 8 输入模块
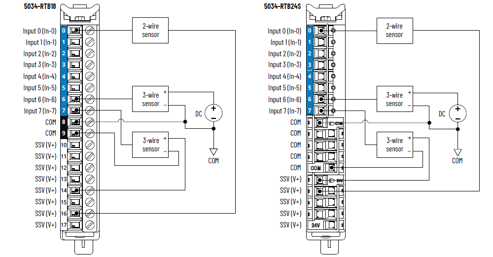
5034-IB8 和 5034-IB8XT 接线图

要建立更多的 COM/V+ 连接,请使用 5034-RTB24S,或在模块旁边安装 5034-MBPTM 或 5034-MBPTMXT。
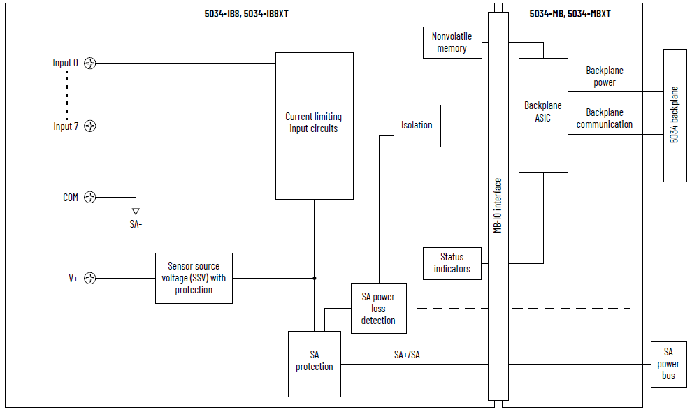
5034-IB8 和 5034-IB8XT 功能块图

属性 | 5034-IB8、5034-IB8XT |
|---|---|
导通电压范围 | 10…30 V DC |
最小通态电流 | 2 mA |
标称通态电流 | 2.4 mA |
最大通态电流 | 2.8 mA |
最大关断状态电压 | 5 V DC |
最大关断状态电流 | 1.5 mA |
最小输入阻抗 | 10 V DC 时为 3.57 kΩ |
标称输入阻抗 | 24 V DC 时为 10 kΩ |
最大输入阻抗 | 30 V DC 时为 15 kΩ |
输入延迟时间(螺丝到背板)(最大值) 由 Off 到 On 由 On 到 Off | 150 µs |
输入脉冲宽度(最小值) 由 Off 到 On 由 On 到 Off | 125 µs |
输入滤波器时间 由 Off 到 On 由 On 到 Off | 0 µs、100 µs、200 µs、500 µs、1 ms(默认值)、2 ms、5 ms、 10 ms、20 ms、50 ms |
简单计数器,计数器频率 | 0...f 最大值 = 4,000 Hz4(以 4 点作为标准输入) 仅点 0...3 |
输入时间戳(事件序列) | 是,±100 µs 精度 |
事件 | 不支持 |
属性 | 5034-IB8、5034-IB8XT |
|---|---|
输入点数 | 8 个通道(1 组,每组 8 个),灌入型 |
电压类别 | 12/24 V 直流灌入型 |
输入电压(标称值) | 24 V DC |
输入电压范围 | 10…30 V DC |
SA 电源电压(标称值) | 24 V DC |
SA 电源电压范围 | 10…30 V DC |
SA 电源电流(标称值) | 250 mA |
SA 电源电流(最大值) | 0.3 A |
无负载 SA 电源电流 | 10 mA |
SA 反极性保护 | 是 |
SSV 电压范围 | 遵循 SA 供电规范 |
最大 SSV 电流 | 0.2 A |
SSV 短路保护 | 是 |
最大功耗 (1) | 1.15 W |
最大热量损耗 (1) | 3.92 BTU/hr |
绝缘电压 | 250 V(连续),基本绝缘类型,系统侧到现场侧 SA 电源和输入端口之间无隔离 各个输入端口之间无隔离 |
RIUP 支持 | 是 |
CIP Sync | 是,仅支持从站普通时钟 |
电子匹配功能 | 通过编程软件实现电子匹配功能 |
RTB 钥匙位置(插槽) | 1、4、8 |
支持 RTB | 5034-RTB18、5034-RTB18S、5034-RTB24S |
接线类别 (2) | 2 - 信号端口 2 - 电源端口 |
接线技术规范 | 关于可拆卸端子块接线技术参数,请参见 PointMax I/O 系统技术参数技术数据(出版物:5034-TD001) |
指示灯 | 1 个绿色/红色模块状态指示灯 1 个绿色/红色 SA 电源状态指示灯 8 个黄色 I/O 状态指示灯 |
近似尺寸(高 x 宽 x 深) | 123.6 x 15.0 x 66.4 mm (4.87 x 0.59 x 2.61 in.) |
近似重量 | 43.0 g (1.52 oz) – 5034-IB8 46.0 g (1.62 oz.) – 5034-IB8XT |
防护罩类型 | 无(开放式) |
北美温度代码 | T4 |
UKEX/ATEX 温度代码 | T4 |
IECEx 温度代码 | T4 |
(1) 数值在 60 °C (140 °F) 下测得。 功耗因温度而异。 (2) 使用此导体类别信息制定导体布线计划。 请参见 Industrial Automation Wiring and
Grounding Guidelines(出版物:1770-4.1)。
请按照相应系统级安装手册中的描述,使用该导线类别信息来规划导线布线。 | |
提供反馈