Módulos de 8 entradas/saídas digitais rápidas 5034-UB8F e 5034-UB8FXT
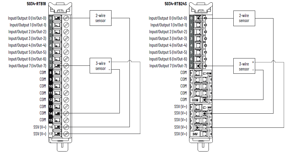
Diagrama de fiação do 5034-UB8F e do 5034-UB8FXT – Modo de saída

Diagrama de fiação do 5034-UB8F e do 5034-UB8FXT – Modo de
entrada

Para estabelecer mais conexões COM/V+, especialmente em uma configuração de
entrada/saída combinada, use um 5034-RTB24S ou instale um 5034-MBPTM ou 5034-MBPTMXT
próximo ao módulo.
Use SSV (V+) apenas para energizar sensores que fazem interface com um ponto que é
configurado como um modo de entrada digital.
Diagrama de blocos de funções 5034-UB8F e 5034-UB8FXT

Atributo | 5034-UB8F, 5034-UB8FXT |
---|---|
Faixa de tensão no estado energizado | 10 a 30 Vcc |
Corrente no estado energizado, mín. | 2 mA |
Corrente no estado energizado, nom. | 4,5 mA |
Corrente no estado energizado, máx. | 5 mA |
Tensão no estado Desenergizado, máx. | 5 Vcc |
Corrente no estado Desenergizado, máx. | 1,5 mA |
Impedância de entrada, min | 2 kΩ a 10 Vcc |
Impedância de entrada, nom. | 5,3 kΩ a 24 Vcc |
Impedância de entrada, máx. | 15 kΩ a 30 Vcc |
Tempo de atraso de entrada (parafuso para backplane),
máx. Desligado para Ligado Ligado para Desligado | 40 µs |
Largura de pulso de entrada, mín. Desligado para Ligado Ligado para Desligado | 10 µs |
Tempo do filtro de entrada Desligado para Ligado Ligado para Desligado | 0 µs (Padrão), 5 µs, 10 µs, 20 µs, 50 µs, 100 µs, 200 µs, 500
µs, 1 ms, 2 ms, 5 ms, 10 ms, 20 ms, 50 ms |
Contadores simples, frequência do contador | 0 a f máx. = 50.000 Hz |
Registro de data e hora de entradas (sequência de
eventos) | Sim, precisão de ±10 μs |
Eventos | Sim |
Atributo | 5034-UB8F, 5034-UB8FXT |
---|---|
Faixa de tensão no estado energizado | 10 a 30 Vcc |
Queda de tensão no estado ligado, máx. | 0,25 Vcc |
Corrente no estado por ponto, mín. | 1,0 mA |
Tensão no estado Desenergizado, máx. | 5 Vcc com carga mín. de 1 mA |
Corrente de fuga em estado Desenergizado, por ponto,
máx. (1) | 0,5 mA |
Classificação da corrente de saída por ponto, máx. | 0,5 A |
Classificação da corrente de saída por módulo, máx. | 4 A |
Corrente de surto por ponto, máx. | 1,2 A por 10 ms, repetível a cada 3 s |
Carga indutiva permitida, máx. | 1,2 H |
Tensão de fixação de saída para carga indutiva quando
desligado | (Tensão SA + VCL)...0 Valor do VCL: Mínimo -63V, Típico -55V, Máximo -49V Para obter mais informações, consulte o Manual do usuário dos
Módulos de E/S Digital PointMax, publicação 5034-UM002. |
Tempo de atraso de saída (backplane para parafuso), máx. Desligado para Ligado Ligado para Desligado | 20 µs a 0,5 A |
Largura de pulso, mín. | 20 µs |
Saídas programáveis | Compatível, precisão ±10 μs |
Suporte a PTO/PWM | Sim Frequência de comutação máxima: 100 kHz (período de 10
μs) Frequência de comutação mínima: 0,033 Hz (período de 30
s) Largura de pulso mínima: 5 μs Corrente de carga máxima (tipo resistivo) por ponto:
Onde F sw é a frequência de comutação |
Diagnóstico de detecção de carga aberta | Não suportada |
Detecção de curto-circuito/sobrecarga na saída | Sim |
Proteção contra de curto-circuito/sobrecarga na saída | Sim |
Classificação Pilot Duty | Corrente de energização de 1,2 A, corrente nominal de 0,5 A,
DC-14 |
Estados no modo de programa por ponto | Hold Last State On Off (Padrão) Controle local |
Estados de saída no modo de falha por ponto | Hold Last State On Off (Padrão) Controle local |
Duração do modo de falha por ponto | 1 s 2 s 5 s 10 s Para sempre (Padrão) |
Estado final de saída após modo de falha por ponto | Ligado Off (Padrão) |
(1) Resistor de carregamento recomendado - Para limitar os
efeitos da corrente de fuga pelas saídas de estado sólido,
você pode conectar um resistor de carga em paralelo com a
sua carga. Para operação de 24 Vcc, use um resistor de 5,6
kΩ e 0,5 W para operação com transistor. |
Atributo | 5034-UB8F, 5034-UB8FXT |
---|---|
Número de entradas/saídas | 8 canais, configurável, entrada de corrente, saída de
corrente |
Tensão de alimentação SA, nom. | 24 Vcc |
Faixa de tensão da alimentação SA | 10 a 30 Vcc |
Corrente de alimentação SA, nom. | 4,1 A |
Corrente de alimentação SA, máx. | 4,2 A |
Corrente de alimentação SA sem carga | 14,3 mA |
Proteção contra polaridade reversa do lado do campo (SA) | Sim |
Faixa de tensão SSV | Siga a alimentação SA |
Corrente SSV, máx. | 0,8 A |
Detecção de curto-circuito SSV | Sim |
Dissipação de energia, máx. (1) | 1,43 W |
Dissipação térmica, máx. (1) | 4,87 BTU/h |
Tensão de isolamento | 250 V (contínuo), Tipo de isolamento básico, do sistema para
o campo Sem isolamento entre a alimentação SA e as portas de
entrada/saída Sem isolamento entre portas de entrada/saída individuais |
Suporte de remoção e inserção sob alimentação | Sim |
CIP sync | Somente secundário, relógio comum |
Codificação eletrônica | Codificação eletrônica via software de programação |
Posições das teclas do borne removível (slot) | 1, 5, 8 |
Bornes removíveis compatíveis | 5034-RTB18, 5034-RTB18S, 5034-RTB24S |
Categoria de fiação (2) | 2 - Portas de sinal 2 - Portas de alimentação |
Especificação da fiação | Consulte Especificações de fiação para bornes removíveis nos
dados técnicos das especificações do sistema PointMax I/O,
publicação 5034-TD001 |
Indicadores | 1 indicador de status do módulo verde/vermelho 1 indicador de status de alimentação SA verde/vermelho 8 indicadores de status de E/S amarelos/vermelhos |
Dimensões (AxLxP), aprox. | 123,6 x 15,0 x 66,4 mm (4,87 x 0,59 x 2,61 pol.) |
Peso, aprox. | 45,0 g (1,59 oz.) – 5034-UB8F 47,0 g (1,66 oz.) – 5034-UB8FXT |
Tipo de gabinetes | Nenhum (Estilo aberto) |
Código de temperatura norte americano | T4 |
Código de temperatura UKEX/ATEX | T4 |
Código de temperatura IECEx | T4 |
(1) O valor é medido a 60 °C (140 °F). A dissipação de
energia varia de acordo com a temperatura. (2) Use essas informações de categoria do condutor para
planejar o roteamento dos cabos. Consulte Orientação sobre
fiação de automação industrial e aterramento, publicação
1770-4.1
(Industrial Automation Wiring and Grounding Guidelines). Use
essas informações de Categoria de condutor para planejar o
roteamento de condutores conforme descrito no Manual de
instalação no sistema apropriado. |
Dê sua opinião