Módulos de 8 entradas digitais 5034-IB8 e 5034-IB8XT
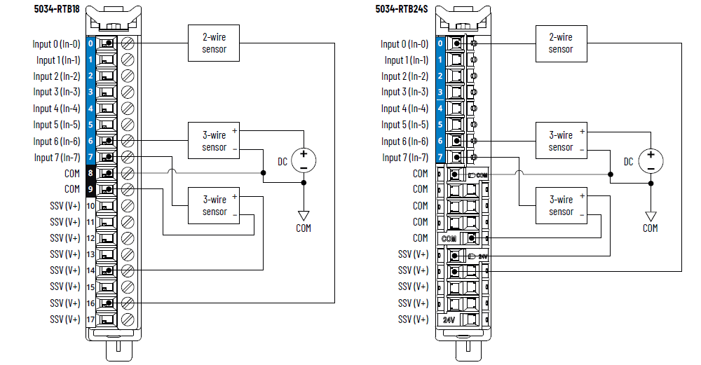
Diagrama de fiação do 5034-IB8 e do 5034-IB8XT

Para estabelecer mais conexões COM/V+, use um 5034-RTB24S ou instale um 5034-MBPTM ou
5034-MBPTMXT próximo ao módulo.
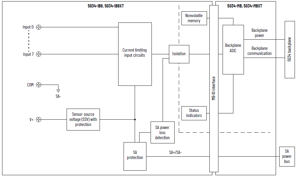
Diagrama de blocos de funções 5034-IB8 e 5034-IB8XT

Atributo | 5034-IB8, 5034-IB8XT |
---|---|
Faixa de tensão no estado energizado | 10 a 30 Vcc |
Corrente no estado energizado, mín. | 2 mA |
Corrente no estado energizado, nom. | 2,4 mA |
Corrente no estado energizado, máx. | 2,8 mA |
Tensão no estado Desenergizado, máx. | 5 Vcc |
Corrente no estado Desenergizado, máx. | 1,5 mA |
Impedância de entrada, min | 3,57 kΩ a 10 Vcc |
Impedância de entrada, nom. | 10 kΩ a 24 Vcc |
Impedância de entrada, máx. | 15 kΩ a 30 Vcc |
Tempo de atraso de entrada (parafuso para backplane),
máx. Desligado para Ligado Ligado para Desligado | 150 µs |
Largura de pulso de entrada, mín. Desligado para Ligado Ligado para Desligado | 125 µs |
Tempo do filtro de entrada Desligado para Ligado Ligado para Desligado | 0 μs, 100 μs, 200 μs, 500 μs, 1 ms (Padrão), 2 ms, 5 ms, 10
ms, 20 ms, 50 ms |
Contadores simples, frequência do contador | 0 a f máx. = 4.000 Hz4 (com 4 pontos como entradas padrão) Somente pontos 0 a 3 |
Registro de data e hora de entradas (sequência de
eventos) | Sim, precisão de ±100 μs |
Eventos | Não suportada |
Atributo | 5034-IB8, 5034-IB8XT |
---|---|
Número de entradas | 8 canais (1 grupo de 8), sinking |
Categoria de tensão | 12/24 Vcc tipo sink |
Tensão de entrada, nom. | 24 Vcc |
Faixa da tensão de entrada | 10 a 30 Vcc |
Tensão de alimentação SA, nom. | 24 Vcc |
Faixa de tensão da alimentação SA | 10 a 30 Vcc |
Corrente de alimentação SA, nom. | 250 mA |
Corrente de alimentação SA, máx. | 0,3 A |
Corrente de alimentação SA sem carga | 10 mA |
Proteção contra polaridade reversa do lado do campo (SA) | Sim |
Faixa de tensão SSV | Siga a alimentação SA |
Corrente SSV, máx. | 0,2 A |
Proteção contra curto-circuito SSV | Sim |
Dissipação de energia, máx. (1) | 1,15 W |
Dissipação térmica, máx. (1) | 3,92 BTU/h |
Tensão de isolamento | 250 V (contínuo), Tipo de isolamento básico, do sistema para
o campo Sem isolamento entre a alimentação SA e as entradas Sem isolamento entre entradas individuais |
Suporte de remoção e inserção sob alimentação | Sim |
CIP sync | Sim, somente secundário, relógio comum |
Codificação eletrônica | Codificação eletrônica via software de programação |
Posições das teclas do borne removível (slot) | 1, 4, 8 |
Bornes removíveis compatíveis | 5034-RTB18, 5034-RTB18S, 5034-RTB24S |
Categoria de fiação (2) | 2 - Portas de sinal 2 - Portas de alimentação |
Especificação da fiação | Consulte Especificações de fiação para bornes removíveis nos
dados técnicos das especificações do sistema PointMax I/O,
publicação 5034-TD001 |
Indicadores | 1 indicador de status do módulo verde/vermelho 1 indicador de status de alimentação SA verde/vermelho 8 indicadores de status de E/S amarelos |
Dimensões (AxLxP), aprox. | 123,6 x 15,0 x 66,4 mm (4,87 x 0,59 x 2,61 pol.) |
Peso, aprox. | 43,0 g (1,52 oz.) – 5034-IB8 46,0 g (1,62 oz.) – 5034-IB8XT |
Tipo de gabinetes | Nenhum (Estilo aberto) |
Código de temperatura norte americano | T4 |
Código de temperatura UKEX/ATEX | T4 |
Código de temperatura IECEx | T4 |
(1) O valor é medido a 60 °C (140 °F). A dissipação de
energia varia de acordo com a temperatura. (2) Use essas informações de categoria do condutor para
planejar o roteamento dos cabos. Consulte Orientação sobre
fiação de automação industrial e aterramento, publicação
1770-4.1
(Industrial Automation Wiring and Grounding Guidelines). Use
essas informações de Categoria de condutor para planejar o
roteamento de condutores conforme descrito no Manual de
instalação no sistema apropriado. |
Dê sua opinião