Especificações
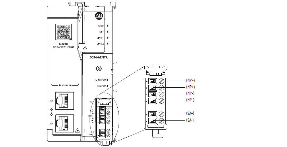
Diagrama de fiação do 5034-AENTR e do 5034-AENTRXT

Atributo | 5034-AENTR, 5034-AENTRXT |
---|---|
Número de módulos de E/S compatíveis | 32 Um 5034-EXP ou 5034-EXPXT é necessário ao usar mais de 16 módulos
de E/S. |
Número de MBs compatíveis | 16 para 18 a 30 Vcc 8 para 10 a 18 Vcc |
Tensão do MP, nom. | 24 Vcc SELV |
Faixa de tensão MP | 10 a 30 Vcc SELV |
Corrente MP, nom. | 0,6 A a 24 Vcc |
Corrente MP, máx. | 850 mA a 10 Vcc (8 MB) 800 mA a 18 Vcc (16 MB) 500 mA a 30 Vcc (16 MB) |
Tensão e correntes nominais, energização MP, máx. | 6 A para 10 ms a 24 Vcc SELV |
Tensão e correntes nominais, SA | 10 a 30 Vcc SELV, 10 A Não ultrapasse o consumo de corrente de 10 A no borne removível
de alimentação SA |
Tensão e correntes nominais, backplane | 16 Vcc, 300 mA máx. (8 MB) 16 Vcc, 600 mA máx. (16 MB) |
Corrente de alimentação SA sem carga | 2 mA |
Dissipação de energia, máx. | 3,6 W |
Dissipação térmica, máx. | 12,3 BTU/h |
Tensão de isolamento | 250V (contínuo), isolamento básico, SA para backplane 250V (contínuo), isolamento básico, SA para MP 250V (contínuo), isolamento básico, porta Ethernet para SA 60V (contínua), isolamento básico, MP para backplane 60V (contínua), isolamento básico, porta Ethernet para MP 60V (contínua), isolamento básico, porta Ethernet para
backplane Nenhum isolamento entre as portas Ethernet |
Bornes removíveis compatíveis | Um borne removível e terminação é fornecido com o adaptador. Você pode solicitar bornes removíveis adicionais do tipo
parafuso (5034-AENRTB-QTY5) e do tipo mola de encaixe
(5034-AENRTBS-QTY5) separadamente. |
Categoria de fiação (1) | 2 - Portas de alimentação 2 - Portas Ethernet |
Especificação da fiação | Consulte Especificações de fiação para bornes removíveis nos
dados técnicos das especificações do sistema PointMax I/O,
publicação 5034-TD001 |
Indicadores | 1 indicador de status do módulo verde/vermelho 1 indicador de status da rede verde/vermelho 2 indicadores de status da conexão de rede verde/vermelho 1 indicador de status de alimentação do módulo verde 1 indicador de status de alimentação SA verde |
Dimensões (AxLxP), aprox. | 131,74 x 62,65 x 76 mm (5,18 x 2,46 x 2,99 pol.) |
Peso, aprox. | 200 g (7,05 oz) – 5034-AENTR 202 g (7,13 oz.) – 5034-AENTRXT |
Tipo de gabinetes | Nenhum (Estilo aberto) |
Código de temperatura norte americano | T4 |
Código de temperatura UKEX/ATEX | T4 |
Código de temperatura IECEx | T4 |
(1) Use essas informações de categoria do condutor para planejar
o roteamento dos cabos. Consulte Orientação sobre fiação de
automação industrial e aterramento, publicação 1770-4.1 (Industrial
Automation Wiring and Grounding Guidelines). Use essas
informações de Categoria de condutor para planejar o roteamento
de condutores conforme descrito no Manual de instalação no
sistema apropriado. |
Dê sua opinião