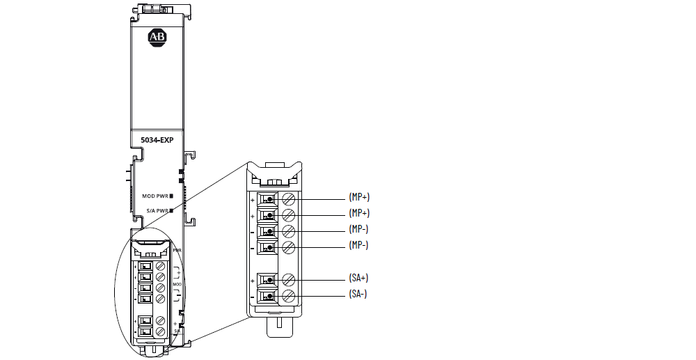
5034-EXP 및 5034-EXPXT 확장 전원 MOD 및 SA
5034-EXP 및 5034-EXPXT 다이어그램

항목 | 5034-EXP, 5034-EXPXT |
|---|---|
지원되는 MB 수 | 18...30V DC의 경우 16 10...18V DC의 경우 8 |
공칭 MP 전압 | 24V DC, SELV |
MP 전압 범위 | 10…30V DC, SELV |
공칭 MP 전류 | 420 mA @ 24V DC |
최대 MP 전류 | 550 mA @ 10 V DC (8 MB) 590 mA @ 18 V DC (16 MB) 370 mA @ 30 V DC (16 MB) |
최대 MP 돌입 전류 | 10ms 동안 6A @ 24V DC SELV |
SA 전원 작동 전압 범위 | 10…30V DC, SELV |
SA 전원 최대 전류 | 10 A SA 전원 RTB에서 소비 전류가 10A를 초과하지 않도록 하십시오. |
무부하 시 SA 전원 전류 | 2 mA |
BP 전압 | 16V DC |
최대 BP 전류 | 250 mA (8 MB) 500 mA (16 MB) |
최대 소비 전력 | 1.7 W |
최대 열 방출 | 5.8 BTU/시간 |
RTB 유형 작업 | 250V (연속), 기본 절연, SA - 백플레인 250V (연속), 기본 절연, SA - MP 60V (연속), 기본 절연, MP - 백플레인 |
RTB 지원됨 | RTB는 확장 전원과 함께 배송됩니다. 나사형(5034-AENRTB-QTY5) 및 푸쉬인 스프링형(5034-AENRTBS-QTY5)을 별도로 주문할 수 있습니다. |
배선 카테고리 (1) | 2 - 전원 포트 |
배선 사양 | PointMax I/O 시스템 사양 기술 데이터(Publication 5034-TD001)에서 탈착식 단자대의 배선 사양을 참조하십시오. |
표시기 | 녹색 모듈 전원 상태 표시기 1개 녹색 SA 전원 상태 표시기 1개 |
치수(HxWxD) | 131.7 x 20.0 x 75 mm (5.19 x 0.79 x 2.95 in.) |
무게 | 109 g (3.84 oz.) – 5034-EXP 111 g (3.91 oz.) – 5034-EXPXT |
외함 유형 | 없음(개방형) |
북미 온도 코드 | T4 |
UKEX/ATEX 온도 코드 | T4 |
IECEx 온도 코드 | T4 |
(1) 전도체 라우팅을 계획하려면 위의 전도체 카테고리 정보를 사용하십시오. 산업 자동화 배선 및 접지 가이드라인(Publication 1770-4.1)을 참조하십시오. 해당 시스템 레벨 설치 매뉴얼에 설명된 바에 따라 전선 연결 계획시 이 전선 분류 정보를 이용하십시오. | |
의견을 작성 부탁드립니다.