사양
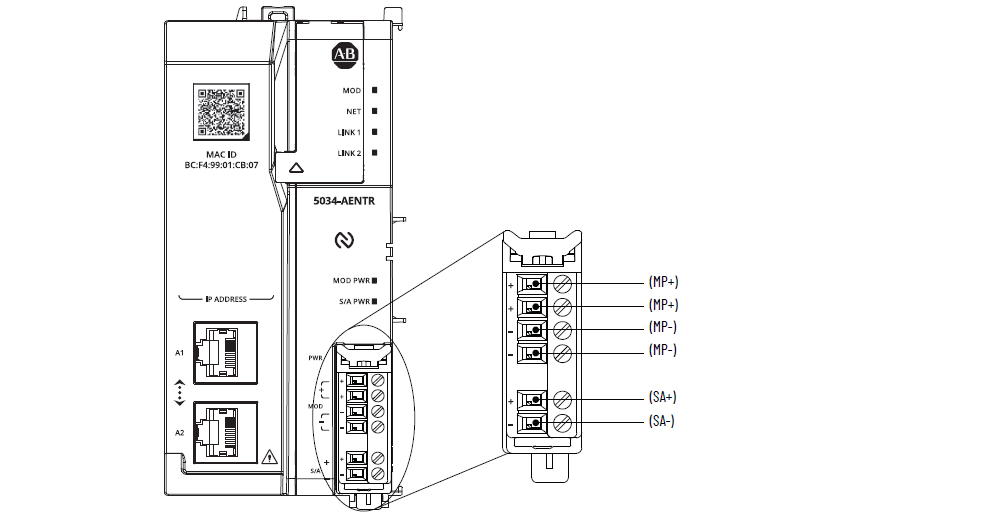
5034-AENTR 및 5034-AENTRXT 배선 다이어그램

항목 | 5034-AENTR, 5034-AENTRXT |
|---|---|
지원되는 I/O 모듈 수 | 32 16개 이상의 I/O 모듈을 사용하는 경우 5034-EXP 또는 5034-EXPXT가 필요합니다. |
지원되는 MB 수 | 18...30V DC의 경우 16 10...18V DC의 경우 8 |
공칭 MP 전압 | 24V DC SELV |
MP 전압 범위 | 10…30V DC SELV |
공칭 MP 전류 | 0.6 A @ 24V DC |
최대 MP 전류 | 850 mA @ 10V DC (8 MB) 800 mA @ 18V DC (16 MB) 500 mA @ 30V DC (16 MB) |
최대 전압 및 전류 정격, MP 돌입 | 10ms 동안 6A @ 24V DC SELV |
전압 및 전류 정격, SA | 10...30V DC SELV, 10 A SA 전원 RTB에서 소비 전류가 10A를 초과하지 않도록 하십시오. |
전압 및 전류 정격, 백플레인 | 16V DC, 최대 300 mA (8 MB) 16V DC, 최대 600 mA (16 MB) |
무부하 시 SA 전원 전류 | 2 mA |
최대 소비 전력 | 3.6 W |
최대 열 방출 | 12.3 BTU/시간 |
RTB 유형 작업 | 250V (연속), 기본 절연, SA - 백플레인 250V (연속), 기본 절연, SA - MP 250V (연속), 기본 절연, Ethernet 포트 - SA 60V (연속), 기본 절연, MP - 백플레인 60V (연속), 기본 절연, 이더넷 포트 - MP 60V (연속), 기본 절연, Ethernet 포트 - 백플레인 이더넷 포트 간 분리 없음 |
RTB 지원됨 | RTB 및 종단캡은 어댑터에 동봉되어 있습니다. 나사형(5034-AENRTB-QTY5) 및 푸쉬인 스프링형(5034-AENRTBS-QTY5) RTB를 별도로 주문할
수 있습니다. |
배선 카테고리 (1) | 2 - 전원 포트 2 - Ethernet 포트 |
배선 사양 | PointMax I/O 시스템 사양 기술 데이터(Publication 5034-TD001)에서 탈착식 단자대의
배선 사양을 참조하십시오. |
표시기 | 녹색/적색 모듈 상태 표시기 1개 녹색/적색 네트워크 상태 표시기 1개 녹색/적색 네트워크 연결 상태 표시기 2개 녹색 모듈 전원 상태 표시기 1개 녹색 SA 전원 상태 표시기 1개 |
치수(HxWxD) | 131.74 x 62.65 x 76 mm (5.18 x 2.46 x 2.99 in.) |
무게 | 200 g (7.05 oz.) – 5034-AENTR 202 g (7.13 oz.) – 5034-AENTRXT |
외함 유형 | 없음(개방형) |
북미 온도 코드 | T4 |
UKEX/ATEX 온도 코드 | T4 |
IECEx 온도 코드 | T4 |
(1) 전도체 라우팅을 계획하려면 위의 전도체 카테고리 정보를 사용하십시오. 산업 자동화 배선 및 접지
가이드라인(Publication 1770-4.1)를 참조하십시오. 해당
시스템 레벨 설치 매뉴얼에 설명된 바에 따라 전선 연결 계획시 이 전선 분류 정보를 이용하십시오. | |
의견을 작성 부탁드립니다.