5034-OF4 및 5034-OF4XT 아날로그 4 출력 모듈
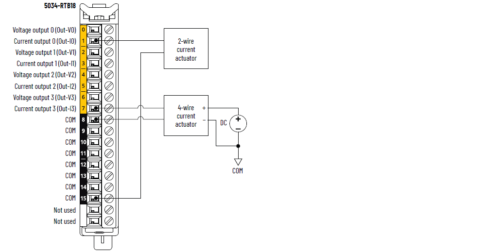
5034-OF4 및 5034-OF4XT 배선 다이어그램 – 전류 모드

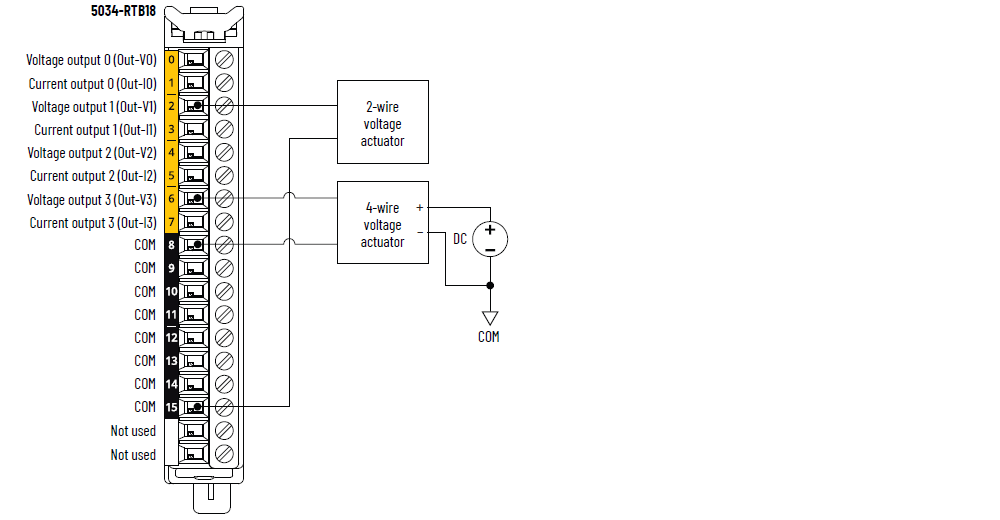
5034-OF4 및 5034-OF4XT 배선 다이어그램 – 전압 모드

5034-OF4 및 5034-OF4XT 기능 블록 다이어그램

항목 | 5034-OF4, 5034-OF4XT |
|---|---|
출력 전압 범위 | ±10V 0~10V 0~5V |
출력 전류 범위 | 0~20mA 4~20 mA |
분해능, 전압 | ±10V: 15비트 0~10V: 16비트 0~5V: 16비트 |
분해능, 전류 | 16비트 |
25 °C(77 °F)에서 캘리브레이션 정확도 | 전압: 0.10% 풀 스케일 전류: 0.10% 풀 스케일 |
전체 온도 범위에서 캘리브레이션 정확도 -25~+60 °C (-13~+140 °F) | 전압: 0.2% 풀 스케일 전류: 0.2% 풀 스케일 |
인버터 용량 | 전압: 최소 3000 Ω 전류: 최대 500 Ω |
최대 정전용량 부하(전압 모드 전용) | 1 µF |
최대 유도 부하(전류 모드 전용) | 1 mH |
HART 핸드헬드 규정 준수 | 예 |
단선 감지 | 전류 모드 전용 |
단락 감지 | 전압 모드 전용 – 출력이 16 mA 이하로 전자적으로 제한됨 |
데이터 형식 | IEEE 754 32비트 소수 |
모듈 변환 방식 | DAC |
업데이트 속도 | 채널 1개: 0.2 ms 모든 채널: 0.4 ms |
채널 당 풀 스케일의 63%에 대한 단계 응답 시간 | 전압 모드: 0.07 ms 일반 전류 모드: 0.4 ms 일반 |
백플레인 대 나사 응답 시간(전체 스케일의 63%) | 전압 모드 채널 1개: 일반 0.5 ms 모든 채널: 일반 1 ms 전류 모드: 채널 1개: 일반 0.9 ms 모든 채널: 일반적으로 1.4 ms |
최대 과전압 보호 | 32V DC |
항목 | 5034-OF4, 5034-OF4XT |
|---|---|
출력 수 | 4채널, 단일 종단 채널 수준에서 구성 가능한 전압 또는 전류 모드 |
공칭 SA 전원 전압 | 24V DC |
SA 전원 전압 범위 | 10~30V DC |
공칭 SA 전원 전류 | 100 mA |
SA 전원 최대 전류 | 0.25 A |
무부하 시 SA 전원 전류 | 40mA |
SA 역극성 보호 | 예 |
최대 소비 전력 | 0.95 W |
최대 열 방출 | 3.24 BTU/시간 |
RTB 유형 작업 | 250V(연속), 기본 절연 유형, 시스템 - 현장 SA 전원 및 출력 포트 사이에 절연 없음 개별 출력 포트 사이에 절연 없음 |
캘리브레이션 | 공장 보정됨 수동 캘리브레이션 지원, PointMax 아날로그 I/O 모듈 사용자 매뉴얼(Publication 5034-UM003) 참조 |
RIUP 지원 | 예 |
Electronic Keying | 프로그래밍 소프트웨어를 통한 Electronic Keying |
RTB 키 위치(슬롯) | 2, 5, 10 |
RTB 지원됨 | 5034-RTB18, 5034-RTB18S |
배선 카테고리 (1) | 2 - 신호 포트 2 - 전원 포트 |
배선 사양 | PointMax I/O 시스템 사양 기술 데이터(Publication 5034-TD001)에서 탈착식 단자대의 배선 사양을 참조하십시오. |
표시기 | 녹색/적색 모듈 상태 표시기 1개 녹색/적색 SA 전원 상태 표시기 1개 황색/적색 I/O 상태 표시기 4개 |
치수(HxWxD) | 123.6 x 15.0 x 66.4 mm (4.87 x 0.59 x 2.61 in.) |
무게 | 47.0 g (1.66 oz.) – 5034-OF4 49.0 g (1.73 oz.) – 5034-OF4XT |
외함 유형 | 없음(개방형) |
북미 온도 코드 | T4 |
UKEX/ATEX 온도 코드 | T4 |
IECEx 온도 코드 | T4 |
(1) 전도체 라우팅을 계획하려면 위의 전도체 카테고리 정보를 사용하십시오. 산업 자동화 배선 및 접지 가이드라인(Publication 1770-4.1)을 참조하십시오. 해당 시스템 레벨 설치 매뉴얼에 설명된 바에 따라 전선 연결 계획시 이 전선 분류 정보를 이용하십시오. | |
의견을 작성 부탁드립니다.