5034-UB8Fおよび5034-UB8FXT 8点高速デジタルI/Oモジュール
5034-UB8Fおよび5034-UB8FXTの配線図 – 出力モード

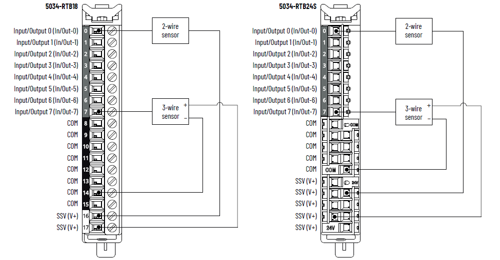
5034-UB8Fおよび5034-UB8FXTの配線図 – 入力モード

特に入出力混合構成で、COM/V+コネクションを追加するには、5034-RTB24Sを使用するか、5034-MBPTMまたは5034-MBPTMXTをモジュールの横に取付けます。
SSV (V+)は、デジタル入力モードとして構成されたポイントに接続されるセンサに電力を供給する場合にのみ使用してください。
5034-UB8Fおよび5034-UB8FXTのファンクション・ブロック・ダイアグラム

項目 | 5034-UB8F、5034-UB8FXT |
---|---|
オン時電圧範囲 | DC10~30V |
オン時最小電流 | 2mA |
オン時公称電流 | 4.5mA |
オン時最大電流 | 5mA |
オフ時最大電圧 | DC5V |
オフ時最大電流 | 1.5mA |
最小入力インピーダンス | DC10Vのとき2kΩ |
入力インピーダンス(公称) | DC24Vのとき5.3kΩ |
最大入力インピーダンス | DC30Vのとき15kΩ |
最大入力遅延時間(ねじからバックプレーンまで) オフからオン オンからオフ | 40µsec |
最小入力パルス幅 オフからオン オンからオフ | 10µsec |
入力フィルタ時間 オフからオン オンからオフ | 0µsec (デフォルト)、5µsec、10µsec、20µsec、50µsec、 100µsec、200µsec、500µsec、1msec、2msec、
5msec、10msec、20msec、50msec |
シンプルカウンタ、カウンタ周波数 | 0…f max = 50,000Hz |
入力のタイムスタンプ(イベントのシーケンス) | あり、±10µsec精度 |
イベント | あり |
項目 | 5034-UB8F、5034-UB8FXT |
---|---|
オン時電圧範囲 | DC10~30V |
オン時最大電圧降下 | DC0.25V |
1点当たりのオン時最小電流 | 1.0mA |
オフ時最大電圧 | DC5V、最小負荷1mA |
1点当たりのオフ時最大漏れ電流 (1) | 0.5mA |
1点当たりの最大出力電流定格 | 0.5A |
モジュール当たりの最大出力電流定格 | 4A |
1点当たりの最大サージ電流 | 10msecで1.2A、3secごとに繰返し可能 |
最大許容誘導負荷 | 1.2H |
遮断時の誘導負荷の出力クランプ電圧 | (SA電圧 + VCL)~0 VCL値:最小-63V、標準-55V、最大-49V 詳細は、『PointMaxデジタルI/Oモジュールユーザーズマニュアル』(Pub. No. 5034-UM002)を参照してください。 |
最大出力遅延時間(バックプレーンからねじまで) オフからオン オンからオフ | 0.5Aのとき20µsec |
パルス幅(最小) | 20µsec |
スケジュールされた出力 | サポート、±10µsec精度 |
PWM/PTOのサポート | あり 最大切換え周波数:100kHz (10µsec周期) 最小切換え周波数:0.033Hz (30sec周期) 最小パルス幅:5µsec 1点当たりの最大負荷電流(抵抗型):
ここで、F sw は切換え周波数です。 |
オープン負荷検出診断 | サポートされていない |
出力短絡/過負荷検出 | あり |
出力短絡/過負荷保護 | あり |
パイロット負荷定格 | 1.2A突入電流、0.5A定格電流、DC-14 |
1点当たりのプログラムモードの出力状態 | 最後の状態を保持 オン オフ(デフォルト) ローカル制御 |
1点当たりのフォルトモードの出力状態 | 最後の状態を保持 オン オフ(デフォルト) ローカル制御 |
1点当たりのフォルトモードの持続時間 | 1sec 2sec 5sec 10sec Forever (デフォルト) |
1点当たりのフォルトモード後の出力最終状態 | オン オフ(デフォルト) |
(1)推奨される負荷レジスタ -
ソリッドステート出力からの漏れ電流の影響を制限するため、負荷に並行して負荷レジスタを接続できます。
DC24Vで動作する場合は、トランジスタ動作に5.6kΩ、0.5Wレジスタを使用します。 |
項目 | 5034-UB8F、5034-UB8FXT |
---|---|
入力/出力の数 | 8チャネル、構成可能、シンク入力、ソース出力 |
SA電源電圧(公称) | DC24V |
SA電源電圧範囲 | DC10~30V |
SA電源電流(公称) | 4.1A |
SA電源電流(最大) | 4.2A |
SA電源電流(負荷なし) | 14.3mA |
SA逆極性保護 | あり |
SSV電圧範囲 | SA電源に従う |
SSV最大電流 | 0.8A |
SSV短絡検出 | あり |
最大消費電力 (1) | 1.43W |
最大熱放散 (1) | 4.87BTU/hr |
絶縁電圧 | 250V (連続)、基本絶縁タイプ、システムからフィールド SA電源とI/Oポート間の絶縁なし 個々のI/Oポート間の絶縁なし |
RIUPサポート | あり |
CIP Sync | スレーブ専用通常クロック |
電子キーイング | プログラミングソフトウェアを使用した電子キーイング |
RTBキー位置(スロット) | 1、5、8 |
サポートされるRTB | 5034-RTB18、5034-RTB18S、5034-RTB24S |
配線カテゴリ (2) | 2 - 信号ポート 2 - 電源ポート |
配線仕様 | 『PointMax I/Oシステムの仕様テクニカルデータ』(Pub. No. 5034-TD001)の「脱着式端子台の配線仕様」を参照 |
インジケータ | 緑色/赤色のモジュール・ステータス・インジケータx1 緑色/赤色のSA電源ステータスインジケータx1 黄色/赤色のI/Oステータスインジケータx8 |
概算寸法(HxWxD) | 123.6 x 15.0 x 66.4mm (4.87 x 0.59 x 2.61インチ) |
概算重量 | 45.0g (1.59オンス) – 5034-UB8F 47.0g (1.66オンス) – 5034-UB8FXT |
エンクロージャタイプ | なし(開放型) |
北米温度コード | T4 |
UKEX/ATEX温度コード | T4 |
IECEx温度コード | T4 |
(1)値は60°C (140°F)で測定したものです。 消費電力は温度によって変わります。 (2)この導線カテゴリ情報を使用して、導線の敷設を計画してください。 『配線と接地のガイドライン』(Pub. No.
1770-4.1)を参照してください。
導線の敷設を計画する際には、該当するシステムレベルの設置マニュアルでの説明に従って、以下の導線カテゴリ情報を参考にしてください。 |
ご質問やご意見