5034-EXPおよび5034-EXPXT拡張電源MODおよびSA
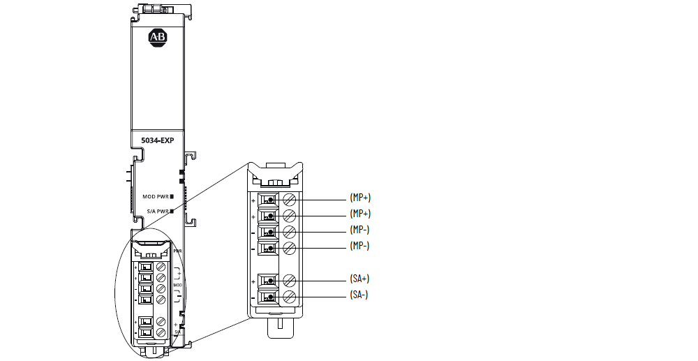
5034-EXPおよび5034-EXPXTの図

項目 | 5034-EXP、5034-EXPXT |
|---|---|
サポートされるMBの数 | DC18~30Vの場合は16 DC10~18Vの場合は8 |
MP電圧(公称) | DC24V、SELV |
MP電圧範囲 | DC10~30V、SELV |
MP電流(公称) | DC24Vのとき420mA |
MP電流(最大) | DC10Vのとき550mA (MB 8個) DC18Vのとき590mA (MB 16個) DC30Vのとき370mA (MB 16個) |
最大MP突入電流 | DC24V SELVのとき10msec間で6A |
SA電源の動作電圧範囲 | DC10~30V、SELV |
SA電源電流(最大) | 10A SA電源RTBでは、電流ドローが10Aを超えてはなりません。 |
SA電源電流(負荷なし) | 2mA |
BP電圧 | DC16V |
BP最大電流 | 250mA (MB 8個) 500mA (MB 16個) |
最大消費電力 | 1.7W |
最大熱放散 | 5.8BTU/hr |
絶縁電圧 | 250V (連続)、基本絶縁、SAからバックプレーン 250V (連続)、基本絶縁、SAからMP 60V (連続)、基本絶縁、MPからバックプレーン |
サポートされるRTB | RTBは拡張電源に付属しています。 ねじ式(5034-AENRTB-QTY5)とプッシュインスプリング式(5034-AENRTBS-QTY5)は別途、追加注文できます。 |
配線カテゴリ (1) | 2 - 電源ポート |
配線仕様 | 『PointMax I/Oシステムの仕様テクニカルデータ』(Pub. No. 5034-TD001)の「脱着式端子台の配線仕様」を参照 |
インジケータ | 緑色のMOD電源ステータスインジケータx1 緑色のSA電源ステータスインジケータx1 |
概算寸法(HxWxD) | 131.7 x 20.0 x 75mm (5.19 x 0.79 x 2.95インチ) |
概算重量 | 109g (3.84オンス) – 5034-EXP 111g (3.91オンス) – 5034-EXPXT |
エンクロージャタイプ | なし(開放型) |
北米温度コード | T4 |
UKEX/ATEX温度コード | T4 |
IECEx温度コード | T4 |
(1)この導線カテゴリ情報を使用して、導線の敷設を計画してください。 『配線と接地のガイドライン』(Pub.No. 1770-4.1)を参照してください。 導線の敷設を計画する際には、該当するシステムレベルの設置マニュアルでの説明に従って、以下の導線カテゴリ情報を参考にしてください。 | |
ご質問やご意見