仕様
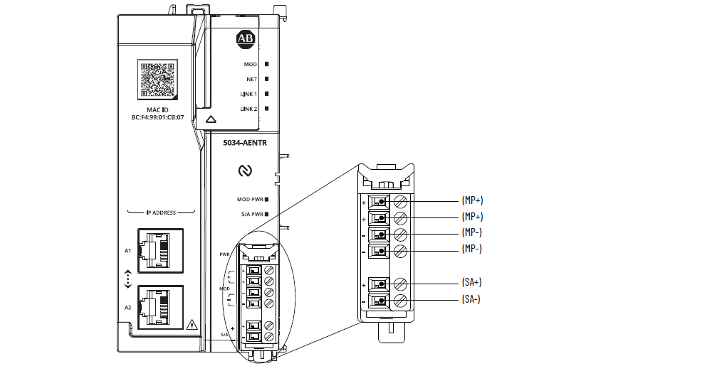
5034-AENTRおよび5034-AENTRXTの配線図

項目 | 5034-AENTR、5034-AENTRXT |
---|---|
サポートされるI/Oモジュールの数 | 32 16個を超えるI/Oモジュールを使用する場合は、5034-EXPまたは5034-EXPXTが必要です。 |
サポートされるMBの数 | DC18~30Vの場合は16 DC10~18Vの場合は8 |
MP電圧(公称) | DC24V SELV |
MP電圧範囲 | DC10~30V SELV |
MP電流(公称) | DC24Vのとき0.6A |
MP電流(最大) | DC10Vのとき850mA (MB 8個) DC18Vのとき800mA (MB 16個) DC30Vのとき500mA (MB 16個) |
電圧および電流定格、MP突入、最大 | DC24V SELVのとき10msec間で6A |
電圧定格および電流定格、SA | DC10~30V SELV、10A SA電源RTBでは、電流ドローが10Aを超えてはなりません。 |
電圧定格および電流定格、バックプレーン | DC16V、最大300mA (MB 8個) DC16V、最大600mA (MB 16個) |
SA電源電流(負荷なし) | 2mA |
最大消費電力 | 3.6W |
最大熱放散 | 12.3BTU/hr |
絶縁電圧 | 250V (連続)、基本絶縁、SAからバックプレーン 250V (連続)、基本絶縁、SAからMP 250V (連続)、基本絶縁、イーサネットポートからSA 60V (連続)、基本絶縁、MPからバックプレーン 60V (連続)、基本絶縁、イーサネットポートからMP 60V (連続)、基本絶縁、イーサネットポートからバックプレーン イーサネットポート間の絶縁なし |
サポートされるRTB | RTBとエンドキャップにはアダプタが付属しています。 ねじ式(5034-AENRTB-QTY5)とプッシュインスプリング式(5034-AENRTBS-QTY5)
RTBは別途、追加注文できます。 |
配線カテゴリ (1) | 2 - 電源ポート 2 - イーサネットポート |
配線仕様 | 『PointMax I/Oシステムの仕様テクニカルデータ』(Pub. No. 5034-TD001)の「脱着式端子台の配線仕様」を参照 |
インジケータ | 緑色/赤色のモジュール・ステータス・インジケータx1 緑色/赤色のネットワーク・ステータス・インジケータx1 緑色/赤色のネットワーク接続ステータスインジケータx2 緑色のMOD電源ステータスインジケータx1 緑色のSA電源ステータスインジケータx1 |
概算寸法(HxWxD) | 131.74 x 62.65 x 76 mm (5.18 x 2.46 x 2.99インチ) |
概算重量 | 200g (7.05オンス) – 5034-AENTR 202g (7.13オンス) – 5034-AENTRXT |
エンクロージャタイプ | なし(開放型) |
北米温度コード | T4 |
UKEX/ATEX温度コード | T4 |
IECEx温度コード | T4 |
(1)この導線カテゴリ情報を使用して、導線の敷設を計画してください。 『配線と接地のガイドライン』(Pub.No. 1770-4.1)を参照してください。
導線の敷設を計画する際には、該当するシステムレベルの設置マニュアルでの説明に従って、以下の導線カテゴリ情報を参考にしてください。 |
ご質問やご意見