5034-OF4および5034-OF4XT 4チャネルアナログ出力モジュール
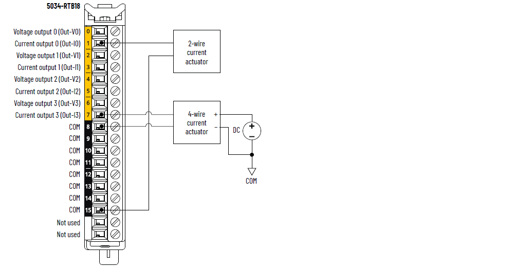
5034-OF4および5034-OF4XTの配線図 – 電流モード

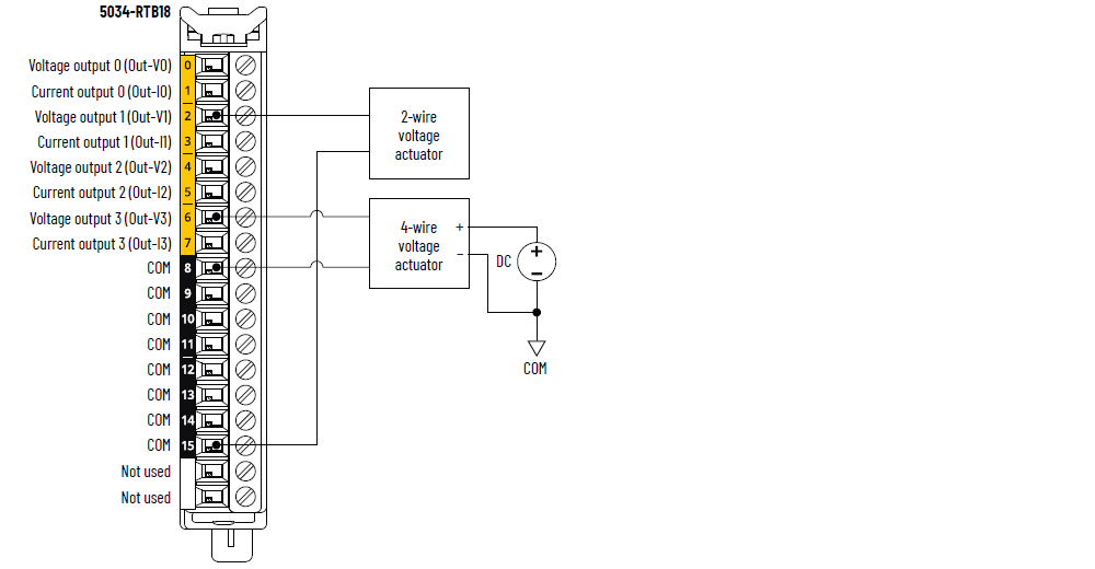
5034-OF4および5034-OF4XTの配線図 – 電圧モード

5034-OF4および5034-OF4XTのファンクション・ブロック・ダイアグラム

項目 | 5034-OF4、5034-OF4XT |
---|---|
出力電圧範囲 | ±10V 0~10V 0~5V |
出力電流範囲 | 0~20mA 4~20mA |
電圧分解能 | ±10V:15ビット 0~10V:16ビット 0~5V:16ビット |
電流分解能 | 16ビット |
キャリブレーション精度(25°C (77°F)) | 電圧:フルスケールの0.10% 電流:フルスケールの0.10% |
フル温度範囲のキャリブレーション精度 -25~+60°C (-13~+140°F) | 電圧:フルスケールの0.2% 電流:フルスケールの0.2% |
ドライブ能力 | 電圧:最小3000Ω 電流:最大500Ω |
最大容量性負荷(電圧モードのみ) | 1µF |
最大誘導負荷(電流モードのみ) | 1mH |
HARTハンドヘルド準拠 | あり |
オープンワイヤ検出 | 電流モードのみ |
短絡検出 | 電圧モードのみ – 電子的に出力を16mA以下に制限 |
データ形式 | IEEE 754 32ビット浮動小数点 |
モジュールの変換方法 | DAC |
更新速度 | 1つのチャネル:0.2msec すべてのチャネル:0.4msec |
フルスケールの63%までのチャネル当たりのステップ応答時間 | 電圧モード:0.07msec標準 電流モード:0.4msec標準 |
バックプレーンからねじまでの応答時間(フルスケールの63%) | 電圧モード 1つのチャネル:0.5msec標準 すべてのチャネル:1msec標準 電流モード: 1つのチャネル:0.9msec標準 すべてのチャネル:1.4msec標準 |
過電圧保護(最大) | DC32V |
項目 | 5034-OF4、5034-OF4XT |
---|---|
出力数 | 4チャネル、シングルエンド チャネルレベルで構成可能な電圧モードまたは電流モード |
SA電源電圧(公称) | DC24V |
SA電源電圧範囲 | DC10~30V |
SA電源電流(公称) | 100mA |
SA電源電流(最大) | 0.25A |
SA電源電流(負荷なし) | 40mA |
SA逆極性保護 | あり |
最大消費電力 | 0.95W |
最大熱放散 | 3.24BTU/hr |
絶縁電圧 | 250V (連続)、基本絶縁タイプ、システムからフィールド SA電源と出力ポート間の絶縁なし 個々の出力ポート間の絶縁なし |
キャリブレーション | 工場出荷時キャリブレーション済み サポートされている手動キャリブレーションについては、『PointMax アナログI/Oモジュールユーザーズマニュアル』
(Pub.No. 5034-UM003)を参照 |
RIUPサポート | あり |
電子キーイング | プログラミングソフトウェアを使用した電子キーイング |
RTBキー位置(スロット) | 2、5、10 |
サポートされるRTB | 5034-RTB18、5034-RTB18S |
配線カテゴリ (1) | 2 - 信号ポート 2 - 電源ポート |
配線仕様 | 『PointMax I/Oシステムの仕様テクニカルデータ』 (Pub. No. 5034-TD001)の「脱着式端子台の配線仕様」を参照 |
インジケータ | 緑色/赤色のモジュール・ステータス・インジケータx1 緑色/赤色のSA電源ステータスインジケータx1 黄色/赤色のI/Oステータスインジケータx4 |
概算寸法(HxWxD) | 123.6 x 15.0 x 66.4mm (4.87 x 0.59 x 2.61インチ) |
概算重量 | 47.0g (1.66オンス) – 5034-OF4 49.0g (1.73オンス) – 5034-OF4XT |
エンクロージャタイプ | なし(開放型) |
北米温度コード | T4 |
UKEX/ATEX温度コード | T4 |
IECEx温度コード | T4 |
(1)この導線カテゴリ情報を使用して、導線の敷設を計画してください。 『配線と接地のガイドライン』(Pub.No.
1770-4.1)を参照してください。
導線の敷設を計画する際には、該当するシステムレベルの設置マニュアルでの説明に従って、以下の導線カテゴリ情報を参考にしてください。 |
ご質問やご意見