Moduli digitali veloci a 8 ingressi/uscite 5034-UB8F e 5034-UB8FXT
Schema di cablaggio 5034-UB8F e 5034-UB8FXT – Modalità di uscita

Schema di cablaggio 5034-UB8F e 5034-UB8FXT – Modalità di
ingresso

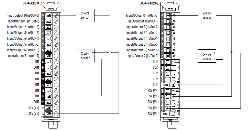
Per stabilire più connessioni COM/V+, soprattutto in una configurazione mista di
ingressi/uscite, utilizzare 5034-RTB24S, oppure installare 5034-MBPTM o 5034-MBPTMXT
accanto al modulo.
Utilizzare SSV (V+) solo per alimentare i sensori interfacciati con un punto
configurato come modalità di ingresso digitale.
Schema a blocchi funzione 5034-UB8F e 5034-UB8FXT

Attributo | 5034-UB8F, 5034-UB8FXT |
|---|---|
Campo tensione stato On | 10…30 V CC |
Corrente stato On, min | 2 mA |
Corrente stato On, nom | 4,5 mA |
Corrente di stato on, max | 5 mA |
Tensione stato Off, max | 5 V CC |
Corrente di stato off, max | 1,5 mA |
Impedenza di ingresso, min. | 2 kΩ a 10 V CC |
Impedenza di ingresso, nom | 5,3 kΩ a 24 V CC |
Impedenza di ingresso, max | 15 kΩ a 30 V CC |
Tempo di ritardo ingresso (da morsetto a backplane), max Da Off a On Da On a Off | 40 µs |
Larghezza impulso di ingresso, min. Da Off a On Da On a Off | 10 µs |
Tempo del filtro di ingresso Da Off a On Da On a Off | 0 µs (default), 5 µs, 10 µs, 20 µs, 50 µs, 100 µs, 200 µs,
500 µs, 1 ms, 2 ms, 5 ms, 10 ms, 20 ms, 50 ms |
Contatori semplici, frequenza del contatore | 0…f max = 50.000 Hz |
Registrazione cronologica degli ingressi (sequenza di
eventi) | Sì, ±10 µs di accuratezza |
Eventi | Sì |
Attributo | 5034-UB8F, 5034-UB8FXT |
|---|---|
Campo tensione stato On | 10…30 V CC |
Caduta di tensione stato on, max | 0,25 V CC |
Corrente di stato On per punto, min. | 1,0 mA |
Tensione di stato off, max | 5 V CC con 1 mA minimo di carico |
Corrente di dispersione stato off per punto,
max (1) | 0,5 mA |
Corrente nominale di uscita per punto, max | 0,5 A |
Corrente nominale di uscita per modulo, max | 4 A |
Corrente di picco per punto, max | 1,2 A per 10 ms, ripetibile ogni 3 s |
Carico induttivo ammesso, max | 1,2 H |
Tensione di limitazione in uscita per carico induttivo
durante spegnimento | (tensione SA + VCL)...0 Valore VCL: minimo -63 V, tipico -55 V, massimo -49 V Per ulteriori informazioni, consultare Moduli PointMax I/O
digitali Manuale dell’utente, pubblicazione 5034-UM002. |
Tempo di ritardo uscita (da backplane a morsetto), max Da Off a On Da On a Off | 20 μs a 0,5 A |
Larghezza di impulso, min. | 20 µs |
Uscite schedulate | Supportate, accuratezza ±10 μs |
Supporto PTO/PWM | Sì Frequenza di commutazione massima: 100 kHz (periodo 10
μs) Frequenza di commutazione minima: 0,033 Hz (periodo di 30
s) Larghezza di impulso minima: 5 μs Corrente di carico massima (tipo resistivo) per punto:
Dove F sw è la frequenza di commutazione |
Diagnostica rilevamento carico aperto | Non supportati |
Rilevamento cortocircuito/sovraccarico uscita | Sì |
Protezione da cortocircuito/sovraccarico uscita | Sì |
Valore nominale pilot duty | Corrente di spunto 1,2 A, corrente nominale 0,5 A, CC-14 |
Stati uscita in modalità programmazione per punto | Hold Last State On Off (impostazione predefinita) Local Control |
Stati uscita in modalità errore per punto | Hold Last State On Off (impostazione predefinita) Local Control |
Durata modalità errore per punto | 1 s 2 s 5 s 10 s Forever (predefinito) |
Stato finale uscita dopo la modalità errore per punto | On Off (impostazione predefinita) |
(1) Resistore di carico consigliato – Per limitare gli
effetti della corrente di dispersione attraverso le uscite a
stato solido, è possibile collegare un resistore di carico
in parallelo al carico. Per il funzionamento a 24 V CC,
utilizzare un resistore da 5,6 KΩ, 0,5 W per il
funzionamento del transistore. | |
Attributo | 5034-UB8F, 5034-UB8FXT |
|---|---|
Numero di ingressi/uscite | 8 canali, configurabili, ingresso sink, uscita source |
Tensione di alimentazione SA, nom | 24 V CC |
Gamma tensione alimentazione SA | 10…30 V CC |
Corrente alimentazione SA, nom | 4,1 A |
Corrente alimentazione SA, max | 4,2 A |
Corrente di alimentazione SA senza carico | 14,3 mA |
Protezione da inversione di polarità SA | Sì |
Gamma tensione SSV | Segue l’alimentazione SA |
Corrente SSV, max | 0,8 A |
Rilevamento cortocircuito SSV | Sì |
Dissipazione di potenza, max (1) | 1,43 W |
Dissipazione termica, max (1) | 4,87 BTU/hr |
Tensione di isolamento | 250 V (continua), tipo di isolamento base, da sistema a
campo Nessun isolamento tra alimentazione SA e porte di
ingresso/uscita Nessun isolamento tra le singole porte di ingresso/uscita |
Supporto RIUP | Sì |
CIP Sync | Orologio ordinario solo slave |
Codifica elettronica | Codifica elettronica tramite software di programmazione |
Posizioni chiavetta RTB (slot) | 1, 5, 8 |
Morsettiera rimovibile supportata | 5034-RTB18, 5034-RTB18S, 5034-RTB24S |
Categoria cablaggio (2) | 2 - Porte di segnale 2 - Porte di alimentazione |
Specifiche di cablaggio | Vedere Specifiche di cablaggio delle morsettiere rimovibili
in Specifiche del sistema PointMax I/O Dati tecnici,
pubblicazione 5034-TD001 |
Indicatori | 1 indicatore verde/rosso di stato modulo 1 indicatore di stato verde/rosso per alimentazione SA 8 indicatori di stato giallo/rosso per I/O |
Dimensioni (AxLxP), circa | 123,6 x 15,0 x 66,4 mm |
Peso approssimativo | 45 g – 5034-UB8F 47 g – 5034-UB8FXT |
Tipo custodia | Nessuna (tipo aperto) |
Codice di temperatura nordamericano | T4 |
Codice temperatura UKEX/ATEX | T4 |
Codice temperatura IECEx | T4 |
(1) Il valore viene misurato a 60 °C. La dissipazione di
potenza varia in base alla temperatura. (2) Pianificare la posa dei conduttori in base a queste
informazioni sulla categoria. Consultare "Criteri per il
cablaggio e la messa a terra in automazione industriale",
pubblicazione 1770-4.1. Usare le
informazioni sulla categoria dei conduttori qui riportate
per pianificare l’instradamento dei conduttori in conformità
alle descrizioni riportate nel manuale di installazione di
sistema appropriato. | |
Fornire un feedback