Moduli a 8 ingressi digitali 5034-IB8 e 5034-IB8XT
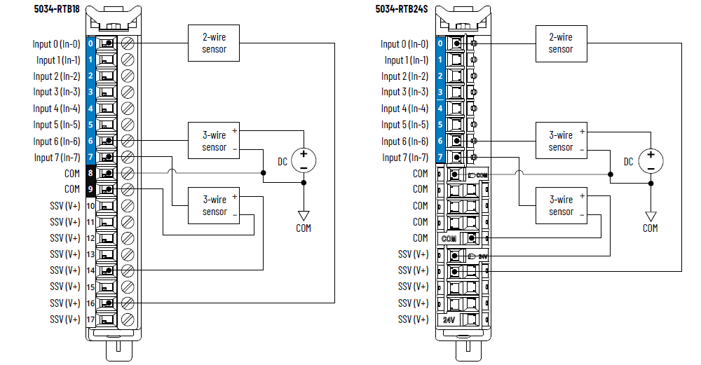
Schema di cablaggio 5034-IB8 e 5034-IB8XT

Per stabilire più connessioni COM/V+ utilizzare 5034-RTB24S, oppure installare un
5034-MBPTM o 5034-MBPTMXT accanto al modulo.
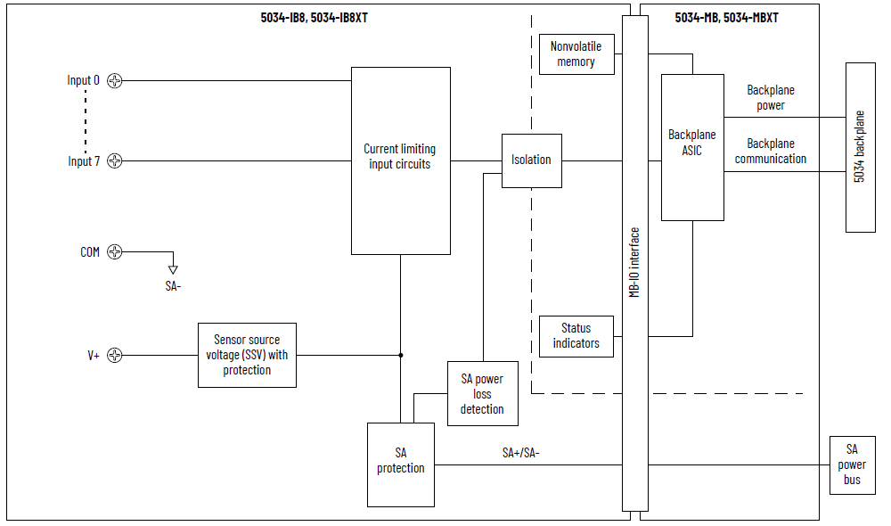
Schema a blocchi funzione di 5034-IB8 e 5034-IB8XT

Attributo | 5034-IB8, 5034-IB8XT |
|---|---|
Campo tensione stato On | 10…30 V CC |
Corrente stato On, min | 2 mA |
Corrente stato On, nom | 2,4 mA |
Corrente di stato on, max | 2,8 mA |
Tensione di stato off, max | 5 V CC |
Corrente di stato off, max | 1,5 mA |
Impedenza di ingresso, min. | 3,57 kΩ a 10 V CC |
Impedenza di ingresso, nom | 10 kΩ a 24 V CC |
Impedenza di ingresso, max | 15 kΩ a 30 V CC |
Tempo di ritardo ingresso (da morsetto a backplane), max Da Off a On Da On a Off | 150 µs |
Larghezza impulso di ingresso, min. Da Off a On Da On a Off | 125 µs |
Tempo del filtro di ingresso Da Off a On Da On a Off | 0 μs, 100 μs, 200 μs, 500 μs, 1 ms (default), 2 ms, 5 ms, 10
ms, 20 ms, 50 ms |
Contatori semplici, frequenza del contatore | 0...f max = 4000 Hz4 (con 4 punti come ingressi standard) Solo punti 0…3 |
Registrazione cronologica degli ingressi (sequenza di
eventi) | Sì, ±100 µs di accuratezza |
Eventi | Non supportati |
Attributo | 5034-IB8, 5034-IB8XT |
|---|---|
Numero di ingressi | 8 canali (1 gruppo di 8), sinking |
Categoria di tensione | 12/24 V CC sink |
Tensione di ingresso, nom | 24 V CC |
Gamma tensione di ingresso | 10…30 V CC |
Tensione di alimentazione SA, nom | 24 V CC |
Gamma tensione alimentazione SA | 10…30 V CC |
Corrente alimentazione SA, nom | 250 mA |
Corrente alimentazione SA, max | 0,3 A |
Corrente di alimentazione SA senza carico | 10 mA |
Protezione da inversione di polarità SA | Sì |
Gamma tensione SSV | Segue l’alimentazione SA |
Corrente SSV, max | 0,2 A |
Protezione da cortocircuito SSV | Sì |
Dissipazione di potenza, max (1) | 1,15 W |
Dissipazione termica, max (1) | 3,92 BTU/hr |
Tensione di isolamento | 250 V (continua), tipo di isolamento base, da sistema a
campo Nessun isolamento tra alimentazione SA e ingressi Nessun isolamento tra singoli ingressi |
Supporto RIUP | Sì |
CIP Sync | Sì, orologio ordinario solo slave |
Codifica elettronica | Codifica elettronica tramite software di programmazione |
Posizioni chiavetta RTB (slot) | 1, 4, 8 |
Morsettiera rimovibile supportata | 5034-RTB18, 5034-RTB18S, 5034-RTB24S |
Categoria cablaggio (2) | 2 - Porte di segnale 2 - Porte di alimentazione |
Specifiche di cablaggio | Vedere Specifiche di cablaggio delle morsettiere rimovibili
in Specifiche del sistema PointMax I/O Dati tecnici,
pubblicazione 5034-TD001 |
Indicatori | 1 indicatore verde/rosso di stato modulo 1 indicatore di stato verde/rosso per alimentazione SA 8 indicatori di stato gialli per I/O |
Dimensioni (AxLxP), circa | 123,6 x 15,0 x 66,4 mm |
Peso approssimativo | 43 g – 5034-IB8 46 g – 5034-IB8XT |
Tipo custodia | Nessuna (tipo aperto) |
Codice di temperatura nordamericano | T4 |
Codice temperatura UKEX/ATEX | T4 |
Codice temperatura IECEx | T4 |
(1) Il valore viene misurato a 60 °C. La dissipazione di
potenza varia in base alla temperatura. (2) Pianificare la posa dei conduttori in base a queste
informazioni sulla categoria. Consultare "Criteri per il
cablaggio e la messa a terra in automazione industriale",
pubblicazione 1770-4.1. Usare le
informazioni sulla categoria dei conduttori qui riportate
per pianificare l’instradamento dei conduttori in conformità
alle descrizioni riportate nel manuale di installazione di
sistema appropriato. | |
Fornire un feedback