Moduli a 4 uscite analogiche 5034-OF4 e 5034-OF4XT
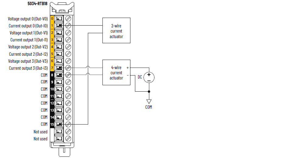
Schema di cablaggio di 5034-OF4 e 5034-OF4XT – Modalità corrente

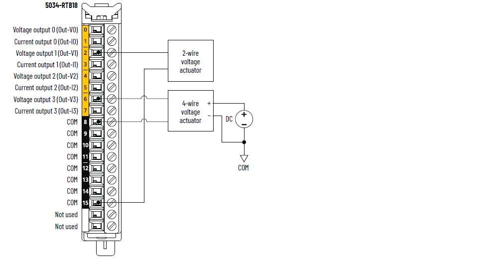
Schema di cablaggio di 5034-OF4 e 5034-OF4XT – Modalità tensione

Schema a blocchi funzione di 5034-OF4 e 5034-OF4XT

Attributo | 5034-OF4, 5034-OF4XT |
|---|---|
Intervallo di uscita, tensione | ±10 V 0…10 V 0…5 V |
Intervallo di uscita, corrente | 0…20 mA 4…20 mA |
Risoluzione, tensione | ±10 V: 15 bit 0...10 V: 16 bit 0...5 V: 16 bit |
Risoluzione, corrente | 16 bit |
Precisione da calibrato a 25 °C | Tensione: 0,10% della scala intera Corrente: 0,10% della scala intera |
Precisione calibrata su gamma di temperatura intera Da -25 a +60 °C | Tensione: 0,2% della scala intera Corrente: 0,2% scala intera |
Capacità di pilotaggio | Tensione: 3000 Ω min Corrente: 500 Ω max |
Carico capacitivo, max (solo modalità tensione) | 1 µF |
Carico induttivo, max (solo modalità in corrente) | 1 mH |
Conformità palmare HART | Sì |
Rilevamento di collegamento interrotto | Solo modalità corrente |
Rilevamento cortocircuiti | Solo modalità tensione – Uscita limitata elettronicamente a 16 mA o meno |
Formato dati | IEEE 754 Virgola mobile a 32 bit |
Metodo di conversione modulo | DAC |
Frequenza di aggiornamento | 1 canale: 0,2 ms Tutti i canali: 0,4 ms |
Tempo di risposta al gradino al 63% della scala intera per canale | Modalità tensione: 0,07 ms tipica Modalità corrente: 0,4 ms tipica |
Tempo di risposta da backplane a punto (63% della scala intera) | Modalità tensione 1 canale: 0,5 ms tipico Tutti i canali: 1 ms tipico Modalità corrente: 1 canale: 0,9 ms tipico Tutti i canali: 1,4 ms tipico |
Protezione da sovratensione, max | 32 V CC |
Attributo | 5034-OF4, 5034-OF4XT |
|---|---|
Numero di uscite | 4 canali, single-ended Modalità di tensione o corrente configurabile a livello di canale |
Tensione di alimentazione SA, nom | 24 V CC |
Gamma di tensione alimentazione SA | 10…30 V CC |
Corrente alimentazione SA, nom | 100 mA |
Corrente alimentazione SA, max | 0,25 A |
Corrente di alimentazione SA senza carico | 40 mA |
Protezione da inversione di polarità SA | Sì |
Dissipazione di potenza, max | 0,95 W |
Dissipazione termica, max | 3,24 BTU/h |
Tensione di isolamento | 250 V (continua), tipo di isolamento base, da sistema a campo Nessun isolamento tra alimentazione SA e porte di uscita Nessun isolamento tra le singole porte di uscita |
Calibrazione | Calibrato in fabbrica Calibrazione manuale supportata, vedere Moduli PointMax I/O
analogici Manuale dell'utente, pubblicazione 5034-UM003 |
Supporto RIUP | Sì |
Codifica elettronica | Codifica elettronica tramite software di programmazione |
Posizioni chiavetta RTB (slot) | 2, 5, 10 |
Morsettiera rimovibile supportata | 5034-RTB18, 5034-RTB18S |
Categoria cablaggio (1) | 2 – Porte di segnale 2 – Porte di alimentazione |
Specifiche di cablaggio | Vedere Specifiche di cablaggio delle morsettiere rimovibili
in Specifiche del sistema PointMax I/O Dati tecnici,
pubblicazione 5034-TD001 |
Indicatori | 1 indicatore verde/rosso di stato modulo 1 indicatore di stato verde/rosso per alimentazione SA 4 indicatori di stato giallo/rosso per I/O |
Dimensioni (AxLxP), circa | 123,6 x 15,0 x 66,4 mm |
Peso approssimativo | 47 g – 5034-OF4 49 g – 5034-OF4XT |
Tipo custodia | Nessuna (Tipo aperto) |
Codice di temperatura nordamericano | T4 |
Codice temperatura UKEX/ATEX | T4 |
Codice temperatura IECEx | T4 |
(1) Pianificare la posa dei conduttori in base a queste
informazioni sulla categoria. Consultare "Criteri per il
cablaggio e la messa a terra in automazione industriale",
pubblicazione 1770-4.1. Usare le
informazioni sulla categoria dei conduttori qui riportate
per pianificare l’instradamento dei conduttori in conformità
alle descrizioni riportate nel manuale di installazione di
sistema appropriato. | |
Fornire un feedback