Alimentazione di espansione MOD e SA 5034-EXP e 5034-EXPXT
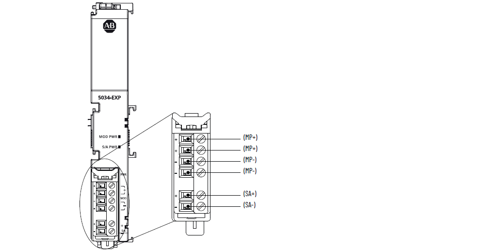
Schema di 5034-EXP e 5034-EXPXT

Attributo | 5034-EXP, 5034-EXPXT |
|---|---|
Numero di MB supportate | 16 per 18...30 V CC 8 per 10...18 V CC |
Tensione MP, nom | 24 V CC, SELV |
Gamma tensione MP | 10...30 V CC, SELV |
Corrente MP, nom | 420 mA a 24 V CC |
Corrente MP, max | 550 mA a 10 V CC (8 MB) 590 mA a 18 V CC (16 MB) 370 mA a 30 V CC (16 MB) |
Corrente di spunto MP, max | 6 A per 10 ms a 24 V CC SELV |
Gamma tensione di funzionamento alimentazione SA | 10...30 V CC, SELV |
Corrente alimentazione SA, max | 10 A Non superare l'assorbimento di corrente di 10 A nella morsettiera rimovibile di alimentazione SA. |
Corrente di alimentazione SA senza carico | 2 mA |
Tensione BP | 16 V CC |
Corrente BP, max | 250 mA (8 MB) 500 mA (16 MB) |
Dissipazione di potenza, max | 1,7 W |
Dissipazione termica, max | 5,8 BTU/hr |
Tensione di isolamento | 250 V (continuativi), isolamento di base, tra SA e backplane 250 V (continuativi), isolamento di base, tra SA e MP 60 V (continuativi), isolamento di base, tra MP e backplane |
Morsettiera rimovibile supportata | Una morsettiera rimovibile viene fornita di serie con l’alimentazione di espansione. È possibile ordinare separatamente altre morsettiere rimovibili con morsetti a vite (5034-AENRTB-QTY5) e a molla (5034-AENRTBS-QTY5). |
Categoria cablaggio (1) | 2 - Porte di alimentazione |
Specifiche di cablaggio | Vedere Specifiche di cablaggio delle morsettiere rimovibili
in Specifiche del sistema PointMax I/O Dati tecnici,
pubblicazione 5034-TD001 |
Indicatori | 1 indicatore verde di stato alimentazione modulo 1 indicatore di stato verde di alimentazione SA |
Dimensioni (AxLxP), circa | 131,7 x 20 x 75 mm |
Peso approssimativo | 109 g – 5034-EXP 111 g – 5034-EXPXT |
Tipo custodia | Nessuna (tipo aperto) |
Codice di temperatura nordamericano | T4 |
Codice temperatura UKEX/ATEX | T4 |
Codice temperatura IECEx | T4 |
(1) Pianificare la posa dei conduttori in base a queste informazioni sulla categoria. Consultare "Criteri per il cablaggio e la messa a terra in automazione industriale", pubblicazione 1770-4.1. Usare le informazioni sulla categoria dei conduttori qui riportate per pianificare l’instradamento dei conduttori in conformità alle descrizioni riportate nel manuale di installazione di sistema appropriato. | |
Fornire un feedback