Specifiche
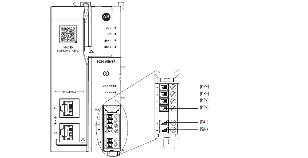
Schema di cablaggio di 5034-AENTR e 5034-AENTRXT

Attributo | 5034-AENTR, 5034-AENTRXT |
|---|---|
Numero di moduli I/O locali supportati | 32 Quando si utilizzano più di 16 moduli I/O, è necessario
utilizzare 5034-EXP o 5034-EXPXT. |
Numero di MB supportate | 16 per 18...30 V CC 8 per 10...18 V CC |
Tensione MP, nom | 24 V CC SELV |
Gamma tensione MP | 10…30 V CC SELV |
Corrente MP, nom | 0,6 A a 24 V CC |
Corrente MP, max | 850 mA a 10 V CC (8 MB) 800 mA a 18 V CC (16 MB) 500 mA a 30 V CC (16 MB) |
Tensione e corrente nominali, spunto MP, max | 6 A per 10 ms a 24 V CC SELV |
Tensione e corrente nominali, SA | 10...30 V CC SELV, 10 A Non superare l'assorbimento di corrente di 10 A nella morsettiera
rimovibile dell’alimentazione SA. |
Tensione e corrente nominali, backplane | 16 V CC, 300 mA max (8 MB) 16 V CC, 600 mA max (16 MB) |
Corrente di alimentazione SA senza carico | 2 mA |
Dissipazione di potenza, max | 3,6 W |
Dissipazione termica, max | 12,3 BTU/h |
Tensione di isolamento | 250 V (continuativi), isolamento di base, da SA a backplane 250 V (continuativi), isolamento di base, da SA a MP 250 V (continuativi), isolamento di base, da porta Ethernet a
SA 60 V (continuativi), isolamento di base, da MP a backplane 60 V (continuativi), isolamento di base, da porta Ethernet a
MP 60 V (continuativi), isolamento di base, da porta Ethernet a
backplane Nessun isolamento tra le porte Ethernet |
Morsettiera rimovibile supportata | In dotazione con l'adattatore sono forniti una RTB e un cappuccio
di chiusura. È possibile ordinare separatamente altre morsettiere rimovibili
con morsetti a vite (5034-AENRTB-QTY5) e a molla
(5034-AENRTBS-QTY5). |
Categoria cablaggio (1) | 2 - Porte di alimentazione 2 - Porte Ethernet |
Specifiche di cablaggio | Vedere Specifiche di cablaggio delle morsettiere rimovibili in
Specifiche del sistema PointMax I/O Dati tecnici, pubblicazione
5034-TD001 |
Indicatori | 1 indicatore verde/rosso di stato modulo 1 indicatore verde/rosso di stato rete 2 indicatori verde/rosso di stato connessione di rete 1 indicatore verde di stato alimentazione modulo 1 indicatore di stato verde di alimentazione SA |
Dimensioni (AxLxP), circa | 131,74 x 62,65 x 76 mm |
Peso approssimativo | 200 g – 5034-AENTR 202 g – 5034-AENTRXT |
Tipo custodia | Nessuna (tipo aperto) |
Codice di temperatura nordamericano | T4 |
Codice temperatura UKEX/ATEX | T4 |
Codice temperatura IECEx | T4 |
(1) Pianificare la posa dei conduttori in base a queste
informazioni sulla categoria. Consultare "Criteri per il
cablaggio e la messa a terra in automazione industriale",
pubblicazione 1770-4.1. Usare le
informazioni sulla categoria dei conduttori qui riportate per
pianificare l’instradamento dei conduttori in conformità alle
descrizioni riportate nel manuale di installazione di sistema
appropriato. | |
Fornire un feedback