Modules à 8 entrées TOR 5034-IB8 et 5034-IB8XT
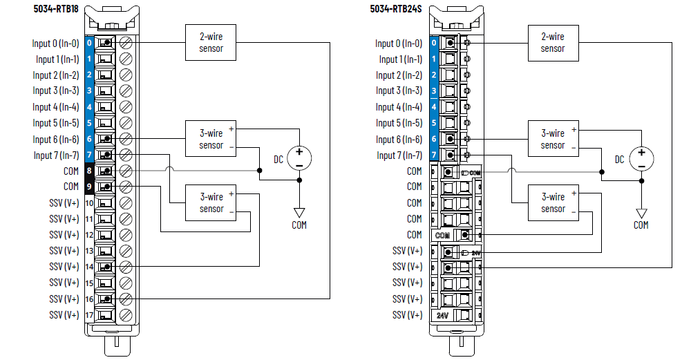
Schéma de câblage 5034-IB8 et 5034-IB8XT

Pour établir plus de connexions COM/V+, utilisez un bornier débrochable 5034-RTB24S
ou installez un module 5034-MBPTM ou 5034-MBPTMXT à côté du module.
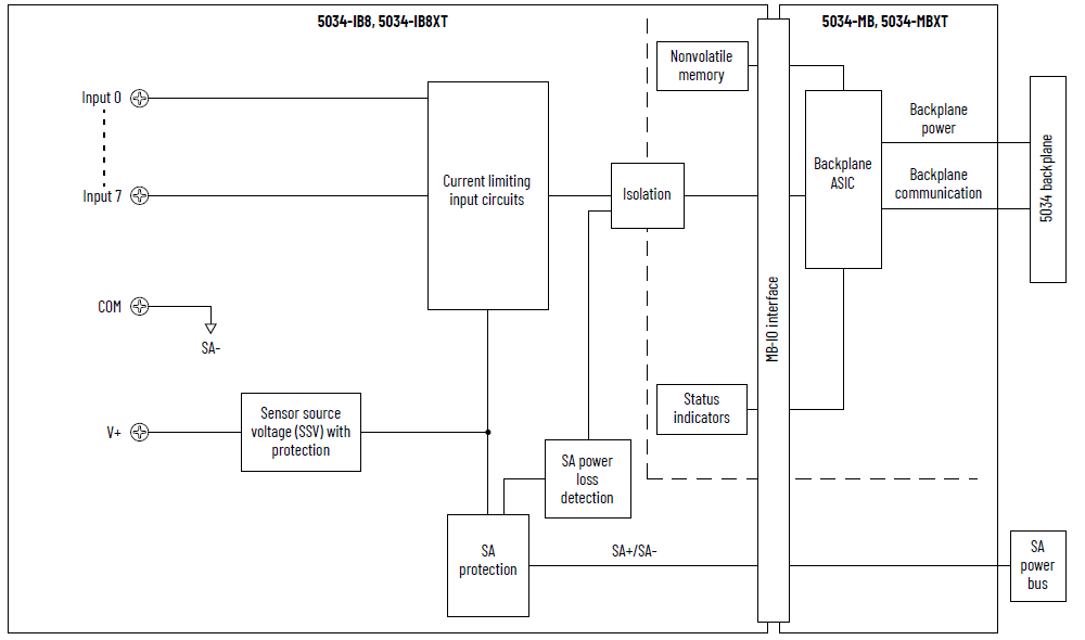
Schéma fonctionnel 5034-IB8 et 5034-IB8XT

Attribut | 5034-IB8, 5034-IB8XT |
|---|---|
Plage de tension à l’état passant | 10 à 30 V c.c. |
Courant à l’état passant, min. | 2 mA |
Courant à l’état passant, nom. | 2,4 mA |
Courant à l’état passant, max. | 2,8 mA |
Tension à l’état bloqué, max. | 5 V c.c. |
Courant à l’état bloqué, max. | 1,5 mA |
Impédance d’entrée, min. | 3,57 kΩ sous 10 V c.c. |
Impédance d’entrée, nominale | 10 kΩ sous 24 V c.c. |
Impédance d’entrée, max. | 15 kΩ sous 30 V c.c. |
Temps de réponse de l’entrée (entre vis et bus intermodules),
max. Off à On On à Off | 150 µs |
Largeur d’impulsion d’entrée, min. Off à On On à Off | 125 µs |
Temps de filtre d’entrée Off à On On à Off | 0 µs, 100 µs, 200 µs, 500 µs, 1 ms (valeur par défaut), 2 ms,
5 ms, 10 ms, 20 ms, 50 ms |
Compteurs simples, fréquence de compteur | 0 à f max = 4 000 Hz4 (avec 4 points comme entrées standard) Point 0 à 3 uniquement |
Horodatage des entrées (séquence d’événements) | Précision de ±100 µs |
Événements | Pas pris en charge |
Attribut | 5034-IB8, 5034-IB8XT |
|---|---|
Nombre d’entrées | 8 voies (1 groupe de 8), PNP |
Catégorie de tension | 12/24 V c.c. NPN |
Tension d’entrée, nom. | 24 V c.c. |
Plage de tension d’entrée | 10 à 30 V c.c. |
Tension d’alimentation SA, nom. | 24 V c.c. |
Plage de tensions de l'alimentation SA | 10 à 30 V c.c. |
Courant de l’alimentation SA, nom. | 250 mA |
Courant de l'alimentation SA, max. | 0,3 A |
Courant de l’alimentation SA sans charge | 10 mA |
Protection contre l’inversion de polarité SA | Oui |
Plage de tension de la SSV | Suivre l’alimentation SA |
Courant SSV, max. | 0,2 A |
Protection contre les courts-circuits SSV | Oui |
Dissipation de puissance, max. (1) | 1,15 W |
Dissipation thermique, max. (1) | 3,92 BTU/h |
Tension d’isolement | 250 V (permanent), type d'isolement de base, système vers
terrain Aucun isolement entre l’alimentation SA et les entrées Aucun isolement entre les entrées individuelles |
Prise en charge du retrait et de l’insertion sous tension | Oui |
CIP Sync | Oui, horloge ordinaire esclave uniquement |
Détrompage électronique | Détrompage électronique via un logiciel de programmation |
Positions de détrompage du bornier débrochable (logement) | 1, 4, 8 |
Bornier débrochable pris en charge | 5034-RTB18, 5034-RTB18S, 5034-RTB24S |
Catégorie de câblage (2) | 2 - Ports de signal 2 - Ports d’alimentation |
Caractéristique du câblage | Reportez-vous aux caractéristiques de câblage pour les
borniers débrochables dans la publication 5034-TD001,
« Caractéristiques du système PointMax I/O Données
techniques » |
Indication | 1 voyant d’état du module vert/rouge 1 voyant d’état de l’alimentation SA vert/rouge 8 voyants d’état d'E/S jaunes |
Dimensions approx. (H x L x P) | 123,6 x 15,0 x 66,4 mm (4,87 x 0,59 x 2,61 in.) |
Poids, approx. | 43,0 g (1,52 oz.) – 5034-IB8 46,0 g (1,62 oz.) – 5034-IB8XT |
Type de boîtier | Aucun (à raccordement libre) |
Code de température nord-américain | T4 |
Code de température UKEX/ATEX | T4 |
Code de température IECEx | T4 |
(1) La valeur est mesurée à 60 °C (140 °F). La dissipation de
puissance varie en fonction de la température. (2) Utilisez cette information de catégorie de conducteur
pour planifier l’acheminement des fils. Consultez la
publication 1770-4.1,
« Industrial Automation Wiring and Grounding Guidelines ».
Utilisez cette information sur la catégorie de conducteur
pour planifier l’acheminement des conducteurs, tel que
décrit dans la notice d’installation de niveau système
appropriée. | |
Fournir une réponse