Caractéristiques
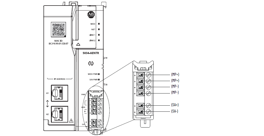
Schéma de câblage 5034-AENTR et 5034-AENTRXT

Attribut | 5034-AENTR, 5034-AENTRXT |
|---|---|
Nombre de modules d’E/S pris en charge | 32 Un modèle 5034-EXP ou 5034-EXPXT est requis en cas d’utilisation
de plus de 16 modules d’E/S. |
Nombre de MB prises en charge | 16 pour 18 à 30 V c.c. 8 pour 10 à 18 V c.c. |
Tension de la MP, nom. | 24 V c.c. SELV |
Plage de tension de la MP | 10 à 30 V c.c. SELV |
Courant de la MP, nom. | 0,6 A sous 24 V c.c. |
Courant de la MP, max. | 850 mA sous 10 V c.c. (8 MB) 800 mA sous 18 V c.c. (16 MB) 500 mA spis 30 V c.c. (16 MB) |
Valeurs assignées de tension et de courant, appel MP, max. | 6 A pendant 10 ms sous 24 V c.c. SELV |
Tension et courant assignés, SA | 10 à 30 V c.c. SELV, 10 A Ne pas dépasser une consommation de courant de 10 A sur le
bornier débrochable d’alimentation SA |
Tension et courant assignés, bus intermodules | 16 V c.c., 300 mA max. (8 MB) 16 V c.c., 600 mA max. (16 MB) |
Courant de l’alimentation SA sans charge | 2 mA |
Dissipation de puissance max. | 3,6 W |
Dissipation thermique, max. | 12,3 BTU/h |
Tension d’isolement | 250 V (permanent), isolement de base, entre SA et bus
intermodules 250 V (permanent), isolement de base, entre SA et MP 250 V (permanent), isolement de base, entre port Ethernet et
SA 60 V (permanent), isolement de base, entre MP et bus
intermodules 60 V (permanent), isolement de base, entre port Ethernet et
MP 60 V (permanent), isolement de base, entre port Ethernet et bus
intermodules Aucune isolation entre les ports Ethernet |
Bornier débrochable pris en charge | Un bornier débrochable et un cache de terminaison sont livrés
avec l’adaptateur. Vous pouvez commander séparément des borniers débrochables à vis
(5034-AENRTB-QTY5) et à ressort (5034-AENRTBS-QTY5)
supplémentaires. |
Catégorie de câblage (1) | 2 - Ports d’alimentation 2 - Ports Ethernet |
Caractéristiques de câblage | Reportez-vous aux caractéristiques de câblage pour les borniers
débrochables dans la publication 5034-TD001,
« Caractéristiques du système PointMax I/O Données
techniques » |
Indication | 1 voyant d’état du module vert/rouge 1 voyant d’état du réseau vert/rouge 2 voyants d’état de connexion réseau verts/rouges 1 voyant d’état d’alimentation du module vert/rouge 1 voyant d’état de l’alimentation SA vert |
Dimensions approx. (H x L x P) | 131,74 x 62,65 x 76 mm (5,18 x 2,46 x 2,99 in.) |
Poids, approx. | 200 g (7,05 oz.) – 5034-AENTR 202 g (7,13 oz.) – 5034-AENTRXT |
Type de boîtier | Aucun (type ouvert) |
Code de température nord-américain | T4 |
Code de température UKEX/ATEX | T4 |
Code de température IECEx | T4 |
(1) Utilisez cette information de catégorie de conducteur pour
planifier l’acheminement des fils. Consultez la
publication 1770-4.1, « Industrial
Automation Wiring and Grounding Guidelines ». Utilisez cette
information sur la catégorie de conducteur pour planifier
l’acheminement des conducteurs, tel que décrit dans la notice
d’installation de niveau système appropriée. | |
Fournir une réponse