Modules à 8 entrées/sorties TOR rapides 5034-UB8F et 5034-UB8FXT
Schéma de câblage 5034-UB8F et 5034-UB8FXT – Mode sortie

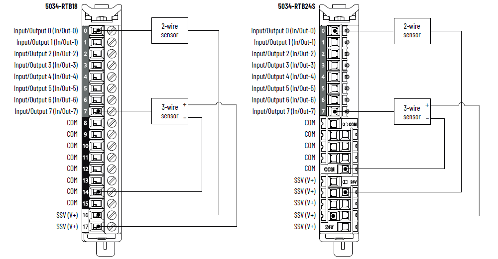
Schéma de câblage 5034-UB8F et 5034-UB8FXT – Mode entrée

Pour établir plus de connexions COM/V+, en particulier dans une configuration
d’entrée/sortie mixte, utilisez un module 5034-RTB24S ou installez un module
5034-MBPTM ou 5034-MBPTMXT à côté du module.
Utilisez SSV (V+) uniquement pour alimenter des détecteurs qui sont interfacés avec
un point configuré en mode d’entrée TOR.
Schéma fonctionnel 5034-UB8F et 5034-UB8FXT

Attribut | 5034-UB8F, 5034-UB8FXT |
---|---|
Plage de tension à l’état passant | 10 à 30 V c.c. |
Courant à l’état passant, min. | 2 mA |
Courant à l’état passant, nom. | 4,5 mA |
Courant à l’état passant, max. | 5 mA |
Tension à l’état bloqué, max. | 5 V c.c. |
Courant à l’état bloqué, max. | 1,5 mA |
Impédance d’entrée, min. | 2 kΩ sous 10 V c.c. |
Impédance d’entrée, nominale | 5,3 kΩ sous 24 V c.c. |
Impédance d’entrée, max. | 15 kΩ sous 30 V c.c. |
Temps de réponse de l’entrée (entre vis et bus intermodules),
max. Off à On On à Off | 40 µs |
Largeur d’impulsion d’entrée, min. Off à On On à Off | 10 µs |
Temps de filtre d’entrée Off à On On à Off | 0 µs (valeur par défaut), 5 µs, 10 µs, 20 µs, 50 µs, 100 µs,
200 µs, 500 µs, 1 ms, 2 ms, 5 ms, 10 ms, 20 ms, 50 ms |
Compteurs simples, fréquence de compteur | 0 à f max = 50 000 Hz |
Horodatage des entrées (séquence d’événements) | Oui, précision de ±10 µs |
Événements | Oui |
Attribut | 5034-UB8F, 5034-UB8FXT |
---|---|
Plage de tension à l’état passant | 10 à 30 V c.c. |
Chute de tension à l’état passant, max. | 0,25 V c.c. |
Courant à l’état activé par point, min. | 1,0 mA |
Tension à l’état bloqué, max. | 5 V c.c. avec une charge min. de 1 mA |
Courant de fuite à l’état désactivé par point,
max. (1) | 0,5 mA |
Courant nominal de sortie par point, max. | 0,5 A |
Courant nominal de sortie par module, max. | 4 A |
Courant d’appel par point, max. | 1,2 A pendant 10 ms, répétable toutes les 3 s |
Charge inductive autorisée, max. | 1,2 H |
Tension de blocage de sortie pour charge inductive en cas de
désactivation | (tension SA + VCL) à 0 Valeur VCL : -63 V minimum, -55 V type, -49 V maximum Pour plus d’informations, consultez la publication 5034-UM002,
« PointMax Digital I/O Modules User Manual ». |
Temps de réponse de la sortie (entre bus intermodules et
vis), max. Off à On On à Off | 20 μs sous 0,5 A |
Largeur d’impulsion, min. | 20 µs |
Sorties planifiées | Prises en charge, précision ±10 μs |
Prise en charge de la modulation de largeur
d’impulsion/sortie à train d’impulsions | Oui Fréquence de commutation maximale : 100 kHz (période de
10 μs) Fréquence de commutation minimale : 0,033 Hz (période de
30 s) Largeur d’impulsion minimale : 5 μs Courant maximal de charge (type résistif) par point :
Où F comm est la fréquence de commutation |
Diagnostics de détection de charge ouverte | Pas pris en charge |
Détection de court-circuit/surcharge en sortie | Oui |
Protection contre les courts-circuits/surcharges en
sortie | Oui |
Indice de service léger | Courant d’appel de 1,2 A, courant nominal de 0,5 A, DC-14 |
États de sortie en mode Programme par point | Maintien du dernier état On Off (par défaut) Local Control |
États de sortie en mode défaut par point | Maintien du dernier état On Off (par défaut) Local Control |
Durée du mode défaut par point | 1 s 2 s 5 s 10 s Indéfiniment (valeur par défaut) |
État final de sortie après le mode défaut par point | On Off (par défaut) |
(1) Résistance de charge recommandée – Pour limiter les
effets du courant de fuite par les sorties statiques, vous
pouvez raccorder une résistance de charge parallèlement à
votre charge. Pour le fonctionnement en 24 V c.c., utilisez
une résistance de 5,6 kΩ, 0,5 W en fonctionnement
transistor. |
Attribut | 5034-UB8F, 5034-UB8FXT |
---|---|
Nombre d’entrées/sorties | 8 voies, configurables, entrée NPN, sortie PNP |
Tension d’alimentation SA, nom. | 24 V c.c. |
Plage de tensions de l'alimentation SA | 10 à 30 V c.c. |
Courant de l’alimentation SA, nom. | 4,1 A |
Courant de l'alimentation SA, max. | 4.2 A |
Courant de l’alimentation SA sans charge | 14,3 mA |
Protection contre l’inversion de polarité SA | Oui |
Plage de tension SSV | Suivre l’alimentation SA |
Courant SSV, max. | 0,8 A |
Détection de court-circuit SSV | Oui |
Dissipation de puissance, max. (1) | 1,43 W |
Dissipation thermique, max. (1) | 4,87 BTU/h |
Tension d’isolement | 250 V (permanent), type d'isolement de base, système vers
terrain Aucun isolement entre l’alimentation SA et les ports
d’entrées/sorties Aucun isolement entre les ports d’entrées/sorties
individuels |
Prise en charge RIUP | Oui |
CIP Sync | Horloge ordinaire esclave uniquement |
Détrompage électronique | Détrompage électronique via un logiciel de programmation |
Positions de détrompage du bornier débrochable (logement) | 1, 5, 8 |
Bornier débrochable pris en charge | 5034-RTB18, 5034-RTB18S, 5034-RTB24S |
Catégorie de câblage (2) | 2 - Ports de signal 2 - Ports d’alimentation |
Caractéristique du câblage | Reportez-vous aux caractéristiques de câblage pour les
borniers débrochables dans la publication 5034-TD001,
« Caractéristiques du système PointMax I/O Données
techniques » |
Indication | 1 voyant d’état du module vert/rouge 1 voyant d’état de l’alimentation SA vert/rouge 8 voyants d’état d’E/S jaunes/rouges |
Dimensions approx. (H x L x P) | 123,6 x 15,0 x 66,4 mm (4,87 x 0,59 x 2,61 in.) |
Poids, approx. | 45,0 g (1,59 oz.) – 5034-UB8F 47,0 g (1,66 oz.) – 5034-UB8FXT |
Type de boîtier | Aucun (à raccordement libre) |
Code de température nord-américain | T4 |
Code de température UKEX/ATEX | T4 |
Code de température IECEx | T4 |
(1) La valeur est mesurée à 60 °C (140 °F). La dissipation de
puissance varie en fonction de la température. (2) Utilisez cette information de catégorie de conducteur
pour planifier l’acheminement des fils. Consultez la
publication 1770-4.1,
« Industrial Automation Wiring and Grounding Guidelines ».
Utilisez cette information sur la catégorie de conducteur
pour planifier l’acheminement des conducteurs, tel que
décrit dans la notice d’installation de niveau système
appropriée. |
Fournir une réponse