Modules à 4 sorties analogiques 5034-OF4 et 5034-OF4XT
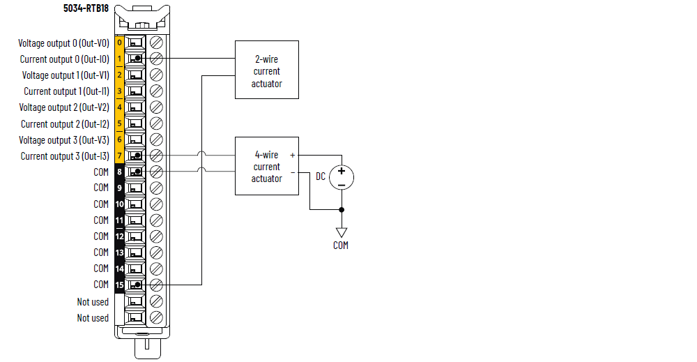
Schéma de câblage des modèles 5034-OF4 et 5034-OF4XT – Mode courant

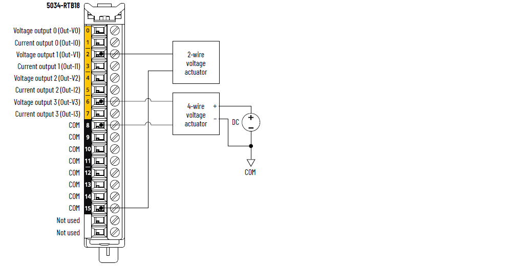
Schéma de câblage des modèles 5034-OF4 et 5034-OF4XT – Mode tension

Schéma fonctionnel des modèles 5034-OF4 et 5034-OF4XT

Attribut | 5034-OF4, 5034-OF4XT |
---|---|
Plage de sorties, tension | ±10 V 0 à 10 V 0 à 5 V |
Plage de sorties, courant | 0 à 20 mA 4 à 20 mA |
Résolution, tension | ±10 V : 15 bits 0 à 10 V : 16 bits 0 à 5 V : 16 bits |
Résolution, courant | 16 bits |
Précision après étalonnage à 25 °C (77 °F) | Tension : 0,10 % de la pleine échelle Courant : 0,10 % de la pleine échelle |
Précision après étalonnage sur toute la plage de températures –25 à +60 °C (–13 à +140 °F) | Tension : 0,2 % de la pleine échelle Courant : 0,2 % de la pleine échelle |
Capacité de charge | Tension : 3 000 Ω min. Courant : 500 Ω max. |
Charge capacitive, max. (mode tension uniquement) | 1 µF |
Charge inductive, max. (mode courant uniquement) | 1 mH |
Conformité portable HART | Oui |
Détection de fil déconnecté | Mode courant uniquement |
Détection de court-circuit | Mode tension uniquement – Sortie électroniquement limitée à 16 mA ou moins |
Format des données | IEEE 754 Virgule flottante 32 bits |
Méthode de conversion du module | CNA |
Taux de rafraîchissement | 1 voie : 0,2 ms Toutes les voies : 0,4 ms |
Temps de réponse sur échelon à 63 % de la pleine échelle par voie | Mode tension : 0,07 ms type Mode courant : 0,4 ms type |
Temps de réponse entre le bus intermodules et la vis (63 % de la pleine échelle) | Mode tension 1 voie : 0,5 ms type Toutes les voies : 1 ms type Mode courant : 1 voie : 0,9 ms type Toutes les voies : 1,4 ms type |
Protection contre les surtensions, max. | 32 V c.c. |
Attribut | 5034-OF4, 5034-OF4XT |
---|---|
Nombre de sorties | 4 voies, à une seule extrémité Mode tension ou courant configurable au niveau de la voie |
Tension d’alimentation SA, nom. | 24 V c.c. |
Plage de tension d’alimentation SA | 10 à 30 V c.c. |
Courant de l’alimentation SA, nom. | 100 mA |
Courant de l’alimentation SA, max. | 0,25 A |
Courant de l’alimentation SA sans charge | 40 mA |
Protection contre l’inversion de polarité SA | Oui |
Dissipation de puissance max. | 0,95 W |
Dissipation de chaleur, max. | 3,24 BTU/h |
Tension d’isolement | 250 V (permanent), type d'isolement de base, système vers terrain Aucune isolation entre les ports de sortie et l’alimentation SA Aucune isolation entre chaque port de sortie |
Étalonnage | Étalonné en usine Étalonnage manuel pris en charge, consultez la
publication 5034-UM003,
« PointMax Analog I/O Modules User Manual » |
Prise en charge du retrait et de l’insertion sous tension | Oui |
Détrompage électronique | Détrompage électronique via un logiciel de programmation |
Positions de détrompage du bornier débrochable (logement) | 2, 5, 10 |
Bornier débrochable pris en charge | 5034-RTB18, 5034-RTB18S |
Catégorie de câblage (1) | 2 - Ports de signal 2 - Ports d’alimentation |
Caractéristiques de câblage | Reportez-vous aux caractéristiques de câblage pour les
borniers débrochables dans la publication 5034-TD001,
« Caractéristiques du système PointMax I/O Données
techniques » |
Indication | 1 voyant d’état du module vert/rouge 1 voyant d’état de l’alimentation SA vert/rouge 4 voyants d’état d’E/S jaunes/rouges |
Dimensions approx. (H x L x P) | 123,6 x 15,0 x 66,4 mm (4,87 x 0,59 x 2,61 in.) |
Poids, approx. | 47,0 g (1,66 oz.) – 5034-OF4 49,0 g (1,73 oz.) – 5034-OF4XT |
Type de boîtier | Aucun (à raccordement libre) |
Code de température nord-américain | T4 |
Code de température UKEX/ATEX | T4 |
Code de température IECEx | T4 |
(1) Utilisez cette information de catégorie de conducteur pour planifier l’acheminement des fils. Consultez la publication 1770-4.1, « Industrial Automation Wiring and Grounding Guidelines ». Utilisez cette information sur la catégorie de conducteur pour planifier l’acheminement des conducteurs, tel que décrit dans la notice d’installation de niveau système appropriée. |
Fournir une réponse