Módulos de 8 entradas digitales 5034-IB8 y 5034-IB8XT
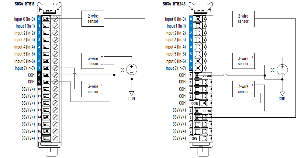
Diagrama de cableado de los módulos 5034-IB8 y 5034-IB8XT

Para establecer más conexiones COM/V+, utilice un 5034-RTB24S o instale un 5034-MBPTM
o 5034-MBPTMXT junto al módulo.
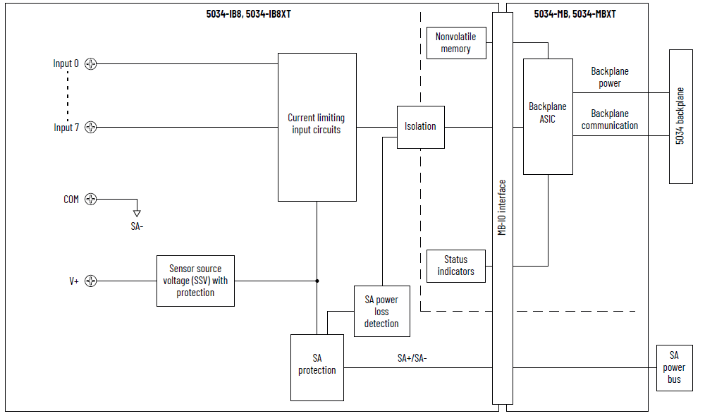
Diagrama de bloques de funciones de los módulos 5034-IB8 y
5034-IB8XT

Atributo | 5034-IB8, 5034-IB8XT |
---|---|
Rango de voltajes en estado activado | 10…30 VCC |
Corriente en estado activado, mín. | 2 mA |
Corriente en estado activado, nom. | 2.4 mA |
Corriente en estado activado, máx. | 2.8 mA |
Voltaje de estado desactivado, máx. | 5 VCC |
Corriente en estado desactivado, máx. | 1.5 mA |
Impedancia de entrada, mín. | 3.57 kΩ a 10 VCC |
Impedancia de entrada, nom. | 10 kΩ a 24 VCC |
Impedancia de entrada, máx. | 15 kΩ a 30 VCC |
Tiempo de retardo de entrada (tornillo a backplane), máx. Desactivado a activado Activado a desactivado | 150 µs |
Anchura de impulso de entrada, mín. Desactivado a activado Activado a desactivado | 125 µs |
Tiempo de filtro de entrada Desactivado a activado Activado a desactivado | 0 μs, 100 μs, 200 μs, 500 μs, 1 ms (predeterminado), 2 ms, 5
ms, 10 ms, 20 ms, 50 ms |
Contadores simples, frecuencia de contador | 0…f máx = 4000 Hz4 (con 4 puntos como entradas estándar) Punto 0...3 solamente |
Sello de hora de entradas (secuencia de eventos) | Sí, exactitud de ±100 µs |
Eventos | No admitido |
Atributo | 5034-IB8, 5034-IB8XT |
---|---|
Número de entradas | 8 canales (1 grupo de 8), drenador |
Categoría de voltaje | Drenador 12/24 VCC |
Voltaje de entrada, nom. | 24 VCC |
Rango de voltaje de entrada | 10…30 VCC |
Voltaje de alimentación eléctrica de SA, nom. | 24 VCC |
Rango de voltaje de la alimentación eléctrica de SA | 10…30 VCC |
Corriente de alimentación eléctrica de SA, nom. | 250 mA |
Corriente de alimentación eléctrica de SA, máx. | 0.3 A |
Corriente de alimentación eléctrica de SA sin carga | 10 mA |
Protección contra inversión de polaridad SA | Sí |
Rango de voltajes SSV | Siga la fuente de alimentación de SA |
Corriente SSV, máx. | 0.2 A |
Protección contra cortocircuito SSV | Sí |
Disipación de energía, máx. (1) | 1.15 W |
Disipación térmica, máx. (1) | 3.92 BTU/h |
Voltaje de aislamiento | 250 V (régimen continuo), tipo de aislamiento básico, sistema
a campo Sin aislamiento entre las entradas y la alimentación
eléctrica de SA Sin aislamiento entre entradas individuales |
Compatibilidad con RIUP | Sí |
CIP Sync | Sí, reloj común de solo esclavo |
Codificación electrónica | Codificación electrónica mediante software de
programación |
Posiciones de la llave del RTB (ranura) | 1, 4, 8 |
RTB compatible | 5034-RTB18, 5034-RTB18S, 5034-RTB24S |
Categoría de cableado (2) | 2: puertos de señal 2: puertos de alimentación eléctrica |
Especificaciones de cableado | Consulte las especificaciones de cableado de los bloques de
terminales extraíbles en los Datos técnicos –
Especificaciones del sistema E/S PointMax, publicación 5034-TD001 |
Indicadores | 1 indicador de estado de módulo verde/rojo 1 indicador de estado de alimentación eléctrica de SA
verde/rojo 8 indicadores de estado de E/S amarillos |
Dimensiones aproximadas (alto × ancho × profundidad) | 123.6 × 15.0 × 66.4 mm (4.87 × 0.59 × 2.61 pulg.) |
Peso aprox. | 43.0 g (1.52 oz) – 5034-IB8 46.0 g (1.62 oz) – 5034-IB8XT |
Tipo de envolvente | Ninguna (estilo abierto) |
Código de temperatura norteamericano | T4 |
Código de temperatura UKEX/ATEX | T4 |
Código de temperatura IECEx | T4 |
(1) El valor se mide a 60 °C (140 °F). La disipación de
energía varía con la temperatura. (2) Utilice esta información sobre las categorías de
conductores para planificar la instalación de conductores.
Consulte el documento Pautas de cableado y conexión a tierra
de equipos de automatización industrial, publicación 1770-4.1. Utilice
esta información sobre categoría de conductores para
planificar la instalación de conductores como se describe en
el correspondiente manual de instalación a nivel de
sistema. |
Entregue su opinión