Módulos de 4 salidas analógicas 5034-OF4 y 5034-OF4XT
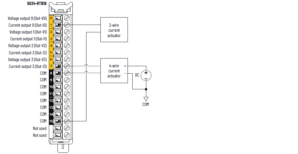
Diagrama de cableado de los módulos 5034-OF4 y 5034-OF4XT – Modo de
corriente

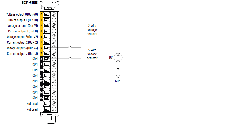
Diagrama de cableado de los módulos 5034-OF4 y 5034-OF4XT – Modo de
voltaje

Diagrama de bloques de funciones de los módulos 5034-OF4 y
5034-OF4XT

Atributo | 5034-OF4, 5034-OF4XT |
---|---|
Rango de salidas, voltaje | ±10 V 0…10 V 0…5 V |
Rango de salidas, corriente | 0...20 mA 4…20 mA |
Resolución, voltaje | ±10 V: 15 bits 0...10 V: 16 bits 0...5 V: 16 bits |
Resolución, corriente | 16 bits |
Exactitud de calibración a 25 °C (77 °F) | Voltaje: 0.10% escala total Corriente: 0.10% escala total |
Exactitud de calibración en el rango total de temperatura –25…+60 °C (–13…+140 °F) | Voltaje: 0.2% escala total Corriente: 0.2% escala total |
Capacidad del variador | Voltaje: 3000 Ω mín. Corriente: 500 Ω máx. |
Carga capacitiva, máx. (solo modo de voltaje) | 1 µF |
Carga inductiva, máx. (solo modo de corriente) | 1 mH |
Conformidad con HART de mano | Sí |
Detección de conductor abierto | Solo modo de corriente |
Detección de cortocircuito | Solo modo de voltaje – Salida limitada electrónicamente a 16
mA o menos |
Formato de datos | IEEE 754 Punto flotante de 32 bits |
Método de conversión del módulo | DAC |
Velocidad de actualización | 1 canal: 0.2 ms Todos los canales: 0.4 ms |
Tiempo de respuesta de paso a paso a 63% de escala total por
canal | Modo de voltaje: 0.07 ms típico Modo de corriente: 0.4 ms típico |
Tiempo de respuesta del backplane al tornillo (63% de la
escala total) | Modo de voltaje 1 canal: 0.5 ms típico Todos los canales: 1 ms típico Modo de corriente: 1 canal: 0.9 ms típico Todos los canales: 1.4 ms típico |
Protección contra sobrevoltaje, máx. | 32 VCC |
Atributo | 5034-OF4, 5034-OF4XT |
---|---|
Número de salidas | 4 canales, unipolares Modo de corriente o voltaje configurable a nivel de canal |
Voltaje de alimentación eléctrica de SA, nom. | 24 VCC |
Rango de voltaje de la alimentación eléctrica de SA | 10…30 VCC |
Corriente de alimentación eléctrica de SA, nom. | 100 mA |
Corriente de alimentación eléctrica de SA, máx. | 0.25 A |
Corriente de alimentación eléctrica de SA sin carga | 40 mA |
Protección contra inversión de polaridad SA | Sí |
Disipación potencia, máx | 0.95 W |
Disipación térmica, máx. | 3.24 BTU/h |
Voltaje de aislamiento | 250 V (régimen continuo), tipo de aislamiento básico, sistema
a campo Sin aislamiento entre los puertos de salidas y la
alimentación eléctrica del SA Sin aislamiento entre los puertos de salidas individuales |
Calibración | Calibrado en fábrica Calibración manual aceptada, consulte el Manual del usuario —
Módulos de E/S analógicas PointMax, publicación 5034-UM003 |
Compatibilidad con RIUP | Sí |
Codificación electrónica | Codificación electrónica mediante software de
programación |
Posiciones de la llave del RTB (ranura) | 2, 5, 10 |
RTB compatible | 5034-RTB18, 5034-RTB18S |
Categoría de cableado (1) | 2: puertos de señal 2: puertos de alimentación eléctrica |
Especificaciones de cableado | Consulte las especificaciones de cableado de los bloques de
terminales extraíbles en los Datos técnicos –
Especificaciones del sistema E/S PointMax, publicación 5034-TD001 |
Indicadores | 1 indicador de estado de módulo verde/rojo 1 indicador de estado de alimentación eléctrica de SA
verde/rojo 4 indicadores de estado de E/S amarillos/rojos |
Dimensiones aproximadas (alto × ancho × profundidad) | 123.6 × 15.0 × 66.4 mm (4.87 × 0.59 × 2.61 pulg.) |
Peso aprox. | 47.0 g (1.66 oz) – 5034-OF4 49.0 g (1.73 oz) – 5034-OF4XT |
Tipo de envolvente | Ninguna (estilo abierto) |
Código de temperatura norteamericano | T4 |
Código de temperatura UKEX/ATEX | T4 |
Código de temperatura IECEx | T4 |
(1) Utilice esta información sobre las categorías de
conductores para planificar la instalación de conductores.
Consulte el documento Pautas de cableado y conexión a tierra
de equipos de automatización industrial, publicación 1770-4.1. Utilice
esta información sobre categoría de conductores para
planificar la instalación de conductores como se describe en
el correspondiente manual de instalación a nivel de
sistema. |
Entregue su opinión