Especificaciones
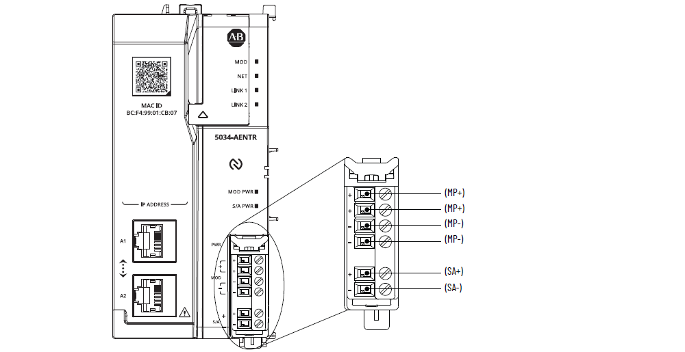
Diagrama de cableado de los módulos 5034-AENTR y 5034-AENTRXT

Atributo | 5034-AENTR, 5034-AENTRXT |
---|---|
Número de módulos de E/S locales admitidos | 32 Se requiere 5034-EXP o 5034-EXPXT cuando se utilizan más de 16
módulos de E/S. |
Número de MB aceptados | 16 para 18...30 VCC 8 para 10...18 VCC |
Voltaje MP, nom. | 24 VCC SELV |
Rango de voltajes MP | 10…30 VCC SELV |
Corriente MP, nom. | 0.6 A a 24 VCC |
Corriente MP, máx. | 850 mA a 10 VCC (8 MB) 800 mA a 18 VCC (16 MB) 500 mA a 30 VCC (16 MB) |
Voltaje y corriente nominales, MP al momento del arranque,
máx | 6 A para 10 ms a 24 VCC SELV |
Voltaje y corriente nominales, SA | 10...30 VCC SELV, 10 A No supere un consumo de corriente de 10 A en el RTB de
alimentación eléctrica de SA |
Voltaje y corriente nominales, backplane | 16 VCC, 300 mA max (8 MB) 16 VCC, 600 mA max (16 MB) |
Corriente de alimentación eléctrica de SA sin carga | 2 mA |
Disipación de energía, máx. | 3.6 W |
Disipación térmica, máx. | 12.3 BTU/h |
Voltaje de aislamiento | 250 V (régimen continuo), aislamiento básico, SA a backplane 250 V (régimen continuo), aislamiento básico, SA a MP 250 V (régimen continuo), aislamiento básico, puerto Ethernet a
SA 60 V (régimen continuo), aislamiento básico, MP a backplane 60 V (régimen continuo), aislamiento básico, puerto Ethernet a
MP 60 V (régimen continuo), aislamiento básico, puerto Ethernet a
backplane Sin aislamiento entre puertos Ethernet |
RTB compatible | Con el adaptador se incluye una tapa de extremo y un bloque de
terminales extraíble. Puede pedir por separado RTB de tipo tornillo (5034-AENRTB-QTY5)
y de tipo resorte de encaje a presión (5034-AENRTBS-QTY5). |
Categoría de cableado (1) | 2: puertos de alimentación eléctrica 2: puertos Ethernet |
Especificaciones de cableado | Consulte las especificaciones de cableado de los bloques de
terminales extraíbles en los Datos técnicos – Especificaciones
del sistema E/S PointMax, publicación 5034-TD001 |
Indicadores | 1 indicador de estado de módulo verde/rojo 1 indicador de estado de la red verde/rojo 2 indicadores de estado de conexión de red verde/rojo 1 indicador de estado de potencia de módulo verde/rojo 1 indicador de estado de alimentación eléctrica de SA verde |
Dimensiones aproximadas (alto × ancho × profundidad) | 131.74 × 62.65 × 76 mm (5.18 × 2.46 × 2.99 pulg.) |
Peso aprox. | 200 g (7.05 oz) – 5034-AENTR 202 g (7.13 oz) – 5034-AENTRXT |
Tipo de envolvente | Ninguna (estilo abierto) |
Código de temperatura norteamericano | T4 |
Código de temperatura UKEX/ATEX | T4 |
Código de temperatura IECEx | T4 |
(1) Utilice esta información sobre las categorías de conductores
para planificar la instalación de conductores. Consulte el
documento Pautas de cableado y conexión a tierra de equipos de
automatización industrial, publicación 1770-4.1. Utilice esta
información sobre categoría de conductores para planificar la
instalación de conductores como se describe en el
correspondiente manual de instalación a nivel de sistema. |
Entregue su opinión