Wiring Diagram - 1756-IA16
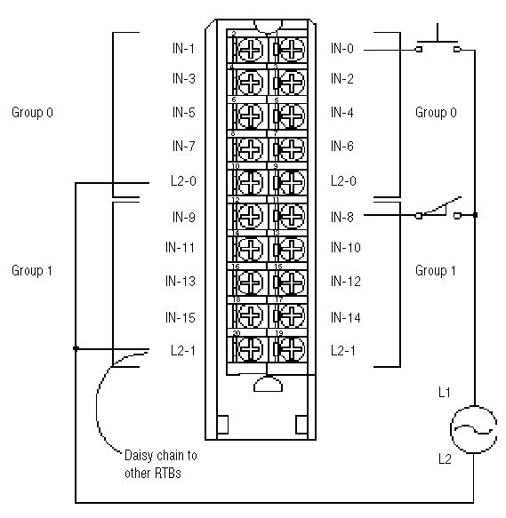
![]() | All terminals with the same name are connected together on the module. For example, L2 can be connected to any terminal marked L2-0. When you daisy chain from a group to another RTB, always connect the daisy chain to the terminal directly connected to the supply wire, as shown. This wiring example shows a single voltage source. | ![]() |
Provide Feedback