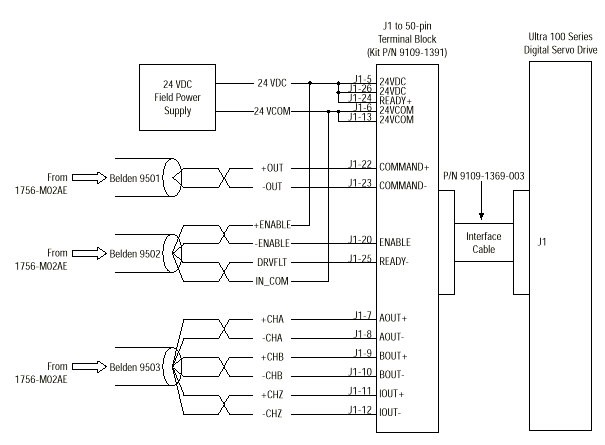
Wiring to an Ultra 100/Ultra 200 Series Drive

servo_100_200Series
  • This is a general wiring example only. Other configurations are possible. For more information, refer to the
    Ultra 100
    Series Drive Installation Manual.
  • This is a general wiring example only. Other configurations are possible. For more information, refer to the
    Ultra 200
    Series Drive Installation Manual.
Provide Feedback
Have questions or feedback about this documentation? Please submit your feedback here.
Normal