Search
Studio 5000 Logix Designer Online Help
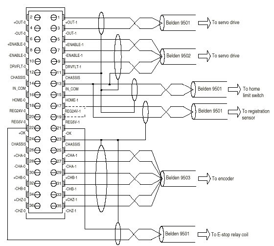
Wiring to a Servo Module RTB
This is a general wiring example illustrating Axis 1 wiring only. Other configurations are possible with Axis 0 wiring identical to Axis 1.
1756 I/O MO2AE Module
Provide Feedback
Have questions or feedback about this documentation? Please
submit your feedback here
.
Normal