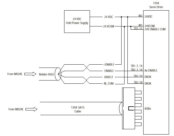
Wiring to a 1394 Servo Drive

This is a general wiring example only. Other configurations are possible. The x in the diagram is the 1394 axis reference number (0, 1, 2, or 3) specifying one of the four possible 1394 servo drive axes. For more information, refer to the 1394 Digital Multi-Axis Motion Control System User Manual.
Provide Feedback