Search
Studio 5000 Logix Designer Online Help
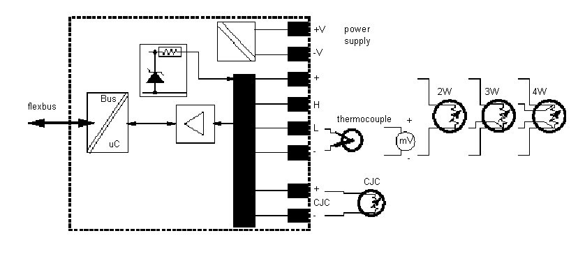
Wiring Diagram 1797-IRT8
The 1797-IRT8 uses the 1797-TB3 or –TB3S Terminal Base. Wiring to the Terminal Base is shown below.
Customer Connections
Module Information
Provide Feedback
Have questions or feedback about this documentation? Please
submit your feedback here
.
Normal