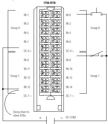
Wiring Diagram 1794-IV16
The recommended Terminal Base for the Output 1794-IV16 is the 1794-TB2. Wiring diagrams to the 1794-TB3 and TB3S are shown below. Compatible Terminal Bases for the 1794-IV16 are the 1794-TB3 and TB3S.

Provide Feedback