Search
Studio 5000 Logix Designer Online Help
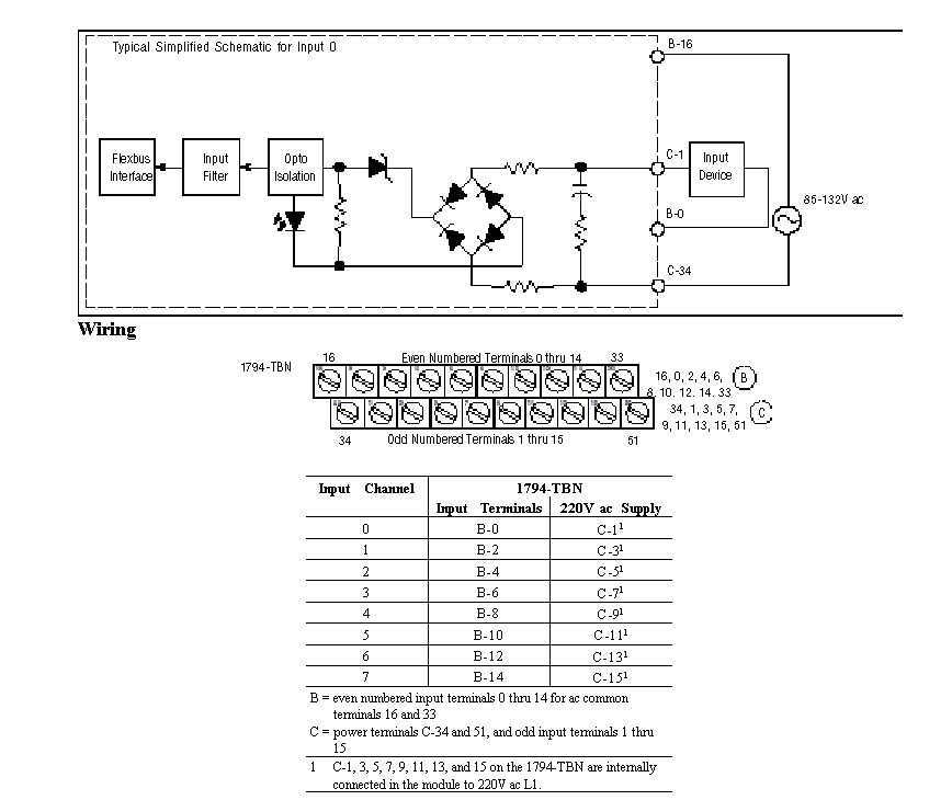
Wiring Diagram 1794-IM8
The recommended Terminal Base for the Output 1794-IM8 is the 1794-TBN. A wiring diagram to the 1794-TBN is shown below.
Module Information
Provide Feedback
Have questions or feedback about this documentation? Please
submit your feedback here
.
Normal