Wiring Diagram 1794-IB10XOB6, Input
The recommended Terminal Base for the Input 1794-IB10XOB6 is the 1794-TB3. A wiring diagram to the 1794-TB3 is shown below. The compatible Terminal Base for the 1794-IB10XOB6 is the 1794-TB3S. A wiring diagram for the 1794-TB3S is also shown below.
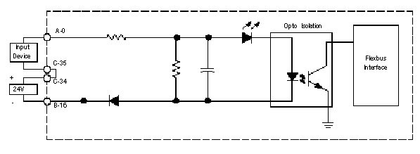
Typical Simplified Schematic for Input 0

To wire the 1794-IB10XOB6 to a 1794-TB3 or -TB3S Terminal Base Unit, use these steps.
- Connect the associated input or output power to the corresponding terminal on the 34-51 row (C) for each as indicated in the table below. (Power terminals 34 thru 51 are internally connected together.)
- Connect the +24V dc power to terminal 34 on the 34-51 row (C).
- If continuing power to the next terminal base unit, connect a jumper from terminal 51 (+24V dc) on this base unit to terminal 34 on the next base unit.
- Connect the associated input or output return to the corresponding terminal on the 16-33 row (B) for each as indicated in the table below. (Returns are internally connected together.)
- Connect 24V dc return to terminal 16 on the 16-33 row (B).
- If continuing 24V return to the next terminal base unit, connect a jumper from terminal 33 (return) on this base unit to terminal 16 on the next base unit.
- Connect the individual input and output wiring to numbered terminals on the 00-15 row (A) as indicated in the table below.ATTENTION:Total current draw through the terminal base unit is limited to 10A. Separate power connections may be necessary.
Wiring

Provide Feedback