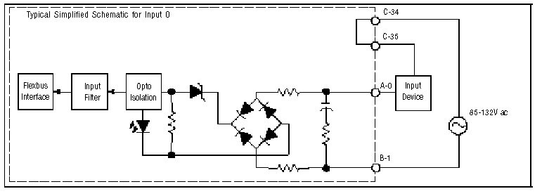
Wiring Diagram 1794-IA16
The recommended Terminal Base for the 1794-IA16 is the 1794-TB3. A wiring diagram to the 1794-TB3 is shown below. Other compatible Terminal Bases for the 1794- IA16 include the 1794-TB3S and the 1794-TBN and are also shown below.
Typical Simplified Schematic for Input 0

Wiring

Provide Feedback