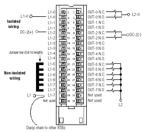
Wiring Diagram 1756-OX8I

All terminals with the same name are connected together on the module. For example, L1-0 can be connect to either terminal marked L1-0.
When you use the third L1-7 terminal to daisy chain to other RTBs, always connect the daisy chain to the terminal directly connected to the supply wire, as shown.
OX8I_shg
1756ox8i
Provide Feedback
Have questions or feedback about this documentation? Please submit your feedback here.
Normal