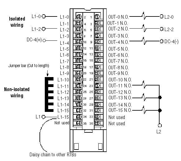
Wiring Diagram 1756-OW16I

All terminals with the same name are connected together on the module. For example, L1 can be connected to either terminal marked L1-15.
When you use the second L1-15 terminal to daisy chain to other RTBs, always connect the daisy chain to the terminal directly connected to the supply wire, as shown.
OW16I_shg
1756ow16i
Provide Feedback
Have questions or feedback about this documentation? Please submit your feedback here.
Normal