Search
Studio 5000 Logix Designer Online Help
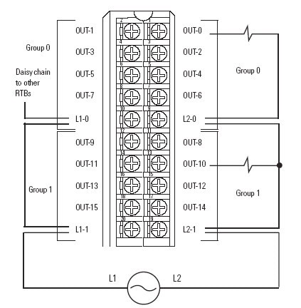
Wiring Diagram 1756-OG16
This wiring example shows a single voltage source.
When you daisy chain from a group to other RTBs, always connect the daisy chain as shown. Do not connect more than 2 wires to any single terminal at any time.
Module Information
Provide Feedback
Have questions or feedback about this documentation? Please
submit your feedback here
.
Normal