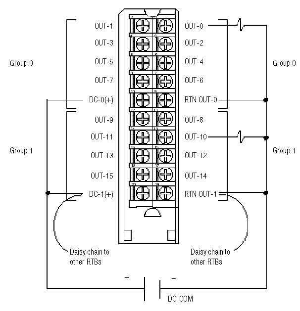
Wiring Diagram 1756-OB16E

When you daisy chain from a group to another RTB, always connect the daisy chain to the terminal directly connected to the supply wire, as shown.
This wiring example shows a single voltage source.
OB16E_shg
1756ob16e
Provide Feedback
Have questions or feedback about this documentation? Please submit your feedback here.
Normal