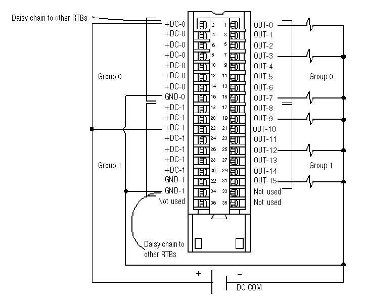
Wiring Diagram 1756-OB16D

All terminals with the same name are connected together on the module. For example, DC COM can be connected to either terminal marked GND-1.
When you daisy chain from a group to another RTB, always connect the daisy chain to the terminal directly connected to the supply wire, as shown.
This wiring example shows a single voltage source.
OB16D_shg
1756ob16d
Provide Feedback
Have questions or feedback about this documentation? Please submit your feedback here.
Normal