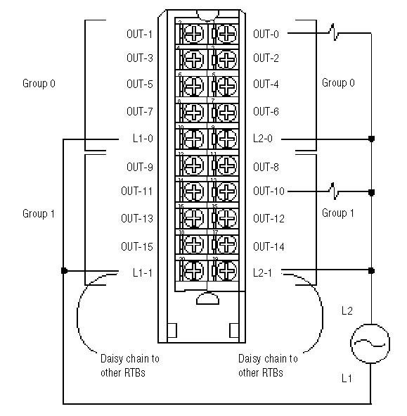
Wiring Diagram - 1756-OA16
When you daisy chain from a group to other RTBs, always connect the daisy chain to the terminal directly connected to the source wire, as shown.
This wiring example shows a single voltage source.
![]() | ![]() |
Provide Feedback

