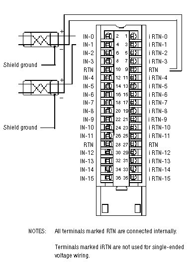
Wiring Diagram - 1756-IF16 and -IF8, Single-Ended Voltage
1756-IF16 Single-Ended Voltage Wiring Diagram | |
![]() | ![]() |
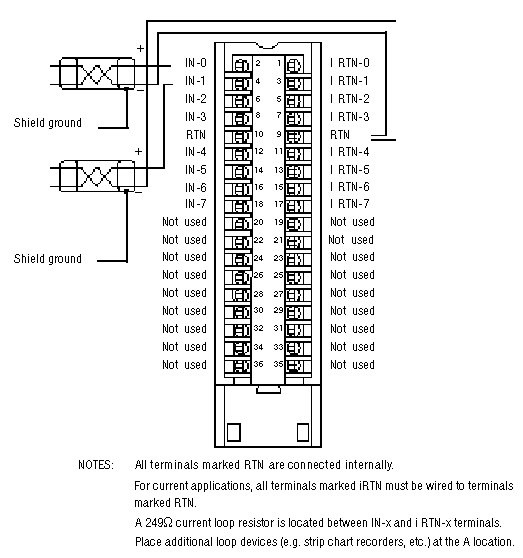
1756-IF8 Single-Ended Voltage Wiring Diagram | |
![]() | ![]() |
Provide Feedback
1756-IF16 Single-Ended Voltage Wiring Diagram | |
![]() | ![]() |
1756-IF8 Single-Ended Voltage Wiring Diagram | |
![]() | ![]() |