Search
Studio 5000 Logix Designer Online Help
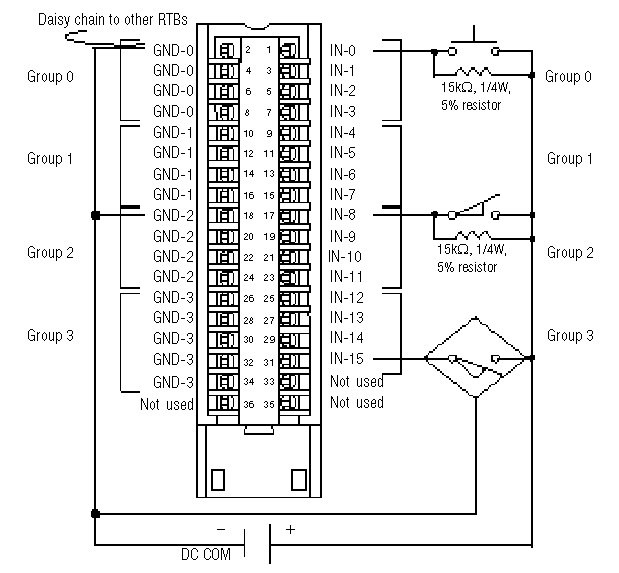
Wiring Diagram - 1756-IB16D
Module Information
Provide Feedback
Have questions or feedback about this documentation? Please
submit your feedback here
.
Normal