Wiring Diagram - 1756-IA16

IA16_shg
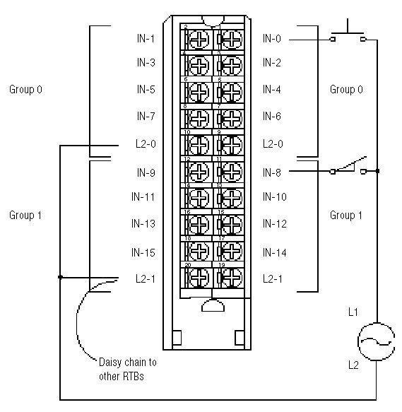
All terminals with the same name are connected together on the module. For example, L2 can be connected to any terminal marked L2-0.
When you daisy chain from a group to another RTB, always connect the daisy chain to the terminal directly connected to the supply wire, as shown.
This wiring example shows a single voltage source.
1756ia16
Provide Feedback
Have questions or feedback about this documentation? Please submit your feedback here.
Normal