Redundant Output (ROUT)
This instruction applies to the Compact GuardLogix 5370, GuardLogix 5570, Compact
GuardLogix 5380, GuardLogix 5580, and ControlLogix 5590 controllers.
Use the Redundant Output with Continuous Feedback Monitoring (ROUT) instruction to emulate the output functionality of a safety relay in a software programmable environment.
The Redundant Output with Continuous Feedback Monitoring Instruction can be used in two ways:
- Redundant Output with Negative Feedback (RONF)
- Redundant Output with Positive Feedback (ROPF)
Available Languages
Ladder Diagram

Function Block
This instruction is not available in function block.
Structured Text
This instruction is not available in structured text.
Operands
IMPORTANT:
Unexpected operation, including controller assert or a
Major Non-Recoverable Fault, can occur if:
- Backing tag members are written to.
- Backing tags are shared by multiple instruction invocations.
- Backing tag members are passed as parameters to an instruction controlled by the same backing tag.
- The backing tag.EnableInmember is referenced anywhere in the program..EnableInis a parameter that represents rung state into an instruction and is only intended for internal use.For examples of these incorrect backing tag usages, seeBacking tag usages that can cause unexpected operation.
This table explains the instruction inputs.
Operand | Data Type | Description | Values |
---|---|---|---|
ROUT | REDUNDANT_OUTPUT | This parameter is a backing tag that maintains important execution information for each usage of this instruction. For examples of incorrect backing tag usages, see Backing tag usages that can cause unexpected operation. | - |
Feedback Type | BOOL | The feedback type determines whether the instruction is using negative or positive feedback | Negative = 0 (RONF) or Positive = 1 (ROPF) |
Enable | BOOL | Input to Enable the Redundant Outputs | Safe = 0 Active = 1 |
Feedback 1 | BOOL | Feedback from a device either directly or indirectly controlled by Output 1. | RONF: Off = 1
On = 0 ROPF: Off = 0
On = 1 |
Feedback 2 | BOOL | Feedback from a device either directly or indirectly controlled by Output 2. | RONF: Off = 1
On = 0 ROPF: Off = 0
On = 1 |
Fault Reset | BOOL | After fault conditions are corrected for the instruction, the Fault Present output for the instruction is cleared when this input transitions from off to on. | Initial = 0 Reset = 1 |
This table explains the instruction outputs.
Operand | Data Type | Description | Safe, Active, and Initial Values |
---|---|---|---|
Output 1 | BOOL | Output 1 of the redundant outputs | Safe = 0 Active = 1 |
Output 2 | BOOL | Output 2 of the redundant outputs | Safe = 0 Active = 1 |
Output 1 Feedback Failure | BOOL | Output 1 Feedback is not indicating the correct state of Output 1 within 250 ms. | Initial = 0 Fault = 1 |
Output 2 Feedback Failure | BOOL | Output 2 Feedback is not indicating the correct state of Output 2 within 250 ms. | Initial = 0 Fault = 1 |
Fault Present | BOOL | This is set whenever a fault is present in the instruction. Outputs cannot enter the Active state when Fault Present is set. Fault Present is cleared when all faults are cleared and the Fault Reset input transitions from off to on. | Initial = 0 Fault = 1 |
IMPORTANT:
Do not write to any instruction output tag under any
circumstance.
Operation
Normal Operation
This instruction monitors a single logical input and activates two field outputs when the logical input goes Active.

It also monitors a feedback channel for each field output and generates a fault if both channels do not, within a time limit, indicate the desired state of the associated outputs.
Instruction operation is illustrated in the following timing diagrams:
Negative Feedback

Positive Feedback

False Rung State Behavior
When the instruction is executed on a false rung the behavior is exactly the same as true rung state except all outputs, including prompts and fault indicators, will be zero. When the rung state becomes true the outputs will be set as determined by the instruction logic.
Affects Math Status Flags
No
Major/Minor Faults
None specific to this instruction. See Index Through Arrays for array-indexing faults.
Execution
Condition/State | Action Taken |
---|---|
Prescan | The .O1, .O2, .O1FF, .O2FF and .FP are cleared to false. |
Rung condition-in is false | The instruction executes as described in the False Rung State Behavior section. |
Rung condition-in is true | The instruction executes as described in the Normal Operation section. |
Postscan | The instruction executes as described in the False Rung State Behavior section. |
Example

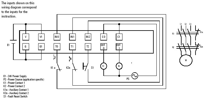
Negative Feedback Wiring
The following wiring diagram illustrates how to wire two contactors, and normally open auxiliary contacts to a 1791DS Safety I/O module to comply with ISO 13849-1 Category 4.

Negative Feedback Programming
The following programming example shows how the Redundant Output instruction with negative feedback can be applied to the wiring diagram shown above.

ISO 13849-1 Category 4 requires that inputs be independently pulse tested. The
Logix Designer
programming application is used to configure the following I/O module parameters for pulse testing.Input Configuration
Input Point | Type | Point Mode | Test Source |
0 (IN0) | Single | Safety Pulse Test | 0 (T0) |
1 (IN1) | Single | Safety Pulse Test | 1 (T1) |
2 (IN2) | Single | Safety | None |
Test Output
Test Output Point | Point Mode |
---|---|
0 (T0) | Pulse Test |
1 (T1) | Pulse Test |
2 (T2) | Power Supply |
3 (T3) | Not Used |
Output Configuration
Point | Type | Point Mode |
0 (OUT0) | Single | Safety |
1 (OUT1) | Single | Safety |
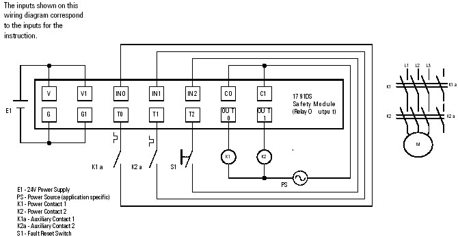
Positive Feedback Wiring
The following wiring diagram illustrates how to wire two contactors and normally open auxiliary contacts to a 1791DS Safety I/O module to comply with ISO 13849-1 Category 4.

Positive Feedback Programming
The following programming example shows how the Redundant Output instruction with positive feedback can be applied to the previous wiring diagram.

ISO 13849-1 Category 4 requires that inputs be independently pulse tested. The
Logix Designer
programming application is used to configure the following I/O module parameters for pulse testing.Input Configuration
Input Point | Type | Point Mode | Test Source |
0 (IN0) | Single | Safety Pulse Test | 0 (T0) |
1 (IN1) | Single | Safety Pulse Test | 1 (T1) |
2 (IN2) | Single | Safety | None |
Test Output
Test Output Point | Point Mode |
0 (T0) | Pulse Test |
1 (T1) | Pulse Test |
2 (T2) | Power Supply |
3 (T3) | Not Used |
Output Configuration
Output Configuration | ||
Point | Type | Point Mode |
0 (OUT0) | Single | Safety |
1 (OUT1) | Single | Safety |
Provide Feedback