5034-EXP und 5034-EXPXT – Erweiterungsleistung MOD und SA
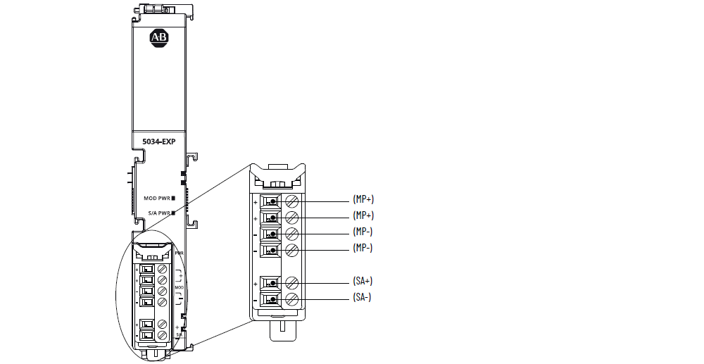
5034-EXP und 5034-EXPXT – Diagramm

Attribut | 5034-EXP und 5034-EXPXT |
---|---|
Anzahl der unterstützten MB | 16 für 18 bis 30 V DC 8 für 10 bis 18 V DC |
MP-Spannung, nom. | 24 V DC, SELV |
MP Spannungsbereich | 10 bis 30 V DC, SELV |
MP Strom, nom. | 420 mA bei 24 V DC |
MP Strom, max. | 550 mA bei 10 V DC (8 MB) 590 mA bei 18 V DC (16 MB) 370 mA bei 30 V DC (16 MB) |
MP Einschaltstrom, max. | 6 A für 10 ms bei 24 V DC SELV |
Betriebsspannungsbereich der Feldspannungsversorgung | 10 bis 30 V DC, SELV |
Feldspannungsversorgung, Strom, max. | 10 A Die Stromaufnahme an der abnehmbaren Klemmenleiste für die Feldspannungsversorgung darf höchstens 10 A betragen. |
Feldspannungsversorgung, Strom, bei Nulllast | 2 mA |
BP-Spannung | 16 V DC |
BP-Strom, max. | 250 mA (8 MB) 500 mA (16 MB) |
Verlustleistung, max. | 1,7 W |
Wärmeabstrahlung, max. | 5,8 BTU/Stunde |
Isolationsspannung | 250 V (kontinuierlich), Basisisolierung, SA zu Backplane 250 V (kontinuierlich), Basisisolierung, SA zu MP 60 V (kontinuierlich), Basisisolierung, MP zu Backplane |
Unterstützung für abnehmbare Klemmenleiste | Eine abnehmbare Klemmenleiste wird zusammen mit der Erweiterungsleistung geliefert. Zusätzliche abnehmbare Klemmenleisten (RTBs) in Schraubausführung (5034-AENRTB-QTY5) und Einsteckfederausführung (5034-AENRTBS-QTY5) können separat bestellt werden. |
Verdrahtungskategorie (1) | 2 – Leistungsports |
Verdrahtungsspezifikation | Siehe Verdrahtungsspezifikationen für abnehmbare Klemmenleisten in Publikation 5034-TD001, „PointMax I/O System Specifications Technical Data“ (PointMax-E/A-System – Spezifikationen und technische Daten). |
Anzeigen | 1 grüne/rote Modulbetrieb-Statusanzeige 1 grüne Feldspannungsversorgungs-Statusanzeige |
Abmessungen (H x B x T) ca. | 131,7 x 20,0 x 75 mm (5,19 x 0,79 x 2,95 Zoll) |
Gewicht (ca.) | 109 g (3,84 oz) – 5034-EXP 111 g (3,91 oz) – 5034-EXPXT |
Gehäusetyp | Keine (offen) |
Nordamerikanischer Temperaturcode | T4 |
UKEX/ATEX-Temperaturcode | T4 |
IECEx-Temperaturcode | T4 |
(1) Nutzen Sie diese Daten zur Leiterkategorie für die Planung der Leiterverlegung. Siehe Publikation 1770-4.1, „Industrial Automation Wiring and Grounding Guidelines“ (Leitlinien zur störungsfreien Verdrahtung und Erdung von industriellen Automatisierungssystemen). Verwenden Sie diese Informationen zur Leiterkategorie, um die Leiterverlegung zu planen, wie im entsprechenden Handbuch zur Installation auf Systemebene beschrieben. |
Rückmeldung geben