5034-OF4 und 5034-OF4XT – Analog-Ausgangsmodule, 4-fach
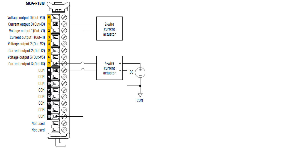
5034-OF4 und 5034-OF4XT Verdrahtungsplan – Strommodus

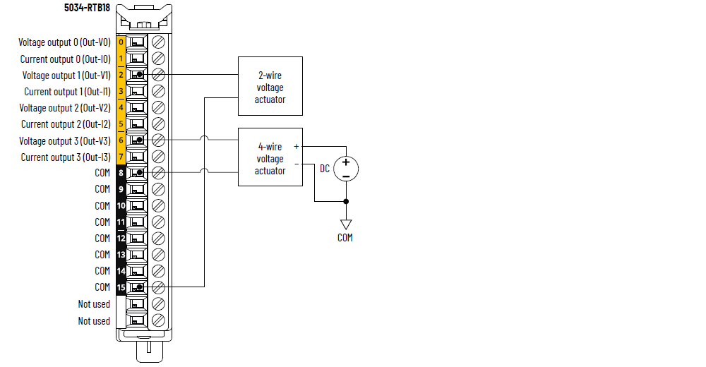
5034-OF4 und 5034-OF4XT Verdrahtungsplan – Spannungsmodus

5034-OF4 und 5034-OF4XT – Funktionsblockdiagramm

Attribut | 5034-OF4, 5034-OF4XT |
---|---|
Ausgangsbereich, Spannung | ±10 V 0 bis 10 V 0 bis 5 V |
Ausgangsbereich, Strom | 0 bis 20 mA 4 bis 20 mA |
Auflösung, Spannung | ±10 V: 15 Bit 0 bis 10 V: 16 Bit 0 bis 5 V: 16 Bit |
Auflösung, Strom | 16 Bit |
Kalibrierte Genauigkeit bei 25 °C (77 °F) | Spannung: 0,10 % Gesamtbereich Strom: 0,10 % Gesamtbereich |
Kalibrierte Genauigkeit über gesamten Temperaturbereich –25 bis +60 °C (–13 bis +140 °F) | Spannung: 0,20 % Gesamtbereich Strom: 0,20 % Gesamtbereich |
Antriebsfähigkeit | Spannung: min. 3000 Ω Strom: max. 500 Ω |
Kapazitive Last, max. (nur Spannungsmodus) | 1 µF |
Induktive Last, max. (nur Strommodus) | 1 mH |
Übereinstimmung mit HART-Handgeräten | Ja |
Drahtbrucherkennung | Nur Strommodus |
Kurzschlusserkennung | Nur Spannungsmodus – Ausgang elektronisch auf max. 16 mA begrenzt |
Datenformat | IEEE 754 32-Bit-Fließkomma |
Modulkonvertierungsmethode | DAC |
Update rate (Datenübertragungsgeschwindigkeit) | 1 Kanal: 0,2 ms Alle Kanäle: 0,4 ms |
Schrittreaktionszeit bis 63 % des Gesamtbereichs pro Kanal | Spannungsmodus: 0,07 ms typisch Strommodus: 0,4 ms typisch |
Ansprechzeit Backplane an Schraube (63 % des Gesamtbereichs) | Spannungsmodus 1 Kanal: 0,5 ms typisch Alle Kanäle: 1 ms typisch Strommodus: 1 Kanal: 0,9 ms typisch Alle Kanäle: 1,4 ms typisch |
Überspannungsschutz, max. | 32 V DC |
Attribut | 5034-OF4, 5034-OF4XT |
---|---|
Anzahl der Ausgänge | 4 Kanäle, Single-Ended Auf Kanalebene konfigurierbarer Spannungs- oder Strommodus |
Feldspannungsversorgung, Spannung, nom. | 24 V DC |
Feldspannungsversorgung, Spannungsbereich | 10 bis 30 V DC |
Feldspannungsversorgung, Strom, nom. | 100 mA |
Feldspannungsversorgung, Strom, max. | 0,25 A |
Feldspannungsversorgung, Strom, bei Nulllast | 40 mA |
SA-Verpolungsschutz | Ja |
Verlustleistung, max. | 0,95 W |
Wärmeabstrahlung, max. | 3,24 BTU/Stunde |
Isolationsspannung | 250 V (kontinuierlich), Basisisolierungstyp, System zu Feld Keine Isolation zwischen Feldspannungsversorgung und Ausgangsports Keine Isolation zwischen den einzelnen Ausgängen |
Kalibrierung | Werkseitig kalibriert Manuelle Kalibrierung unterstützt, siehe Publikation 5034-UM003,
„PointMax Analog I/O Modules User Manual“ (Analoge
PointMax-E/A-Module – Benutzerhandbuch). |
RIUP-Unterstützung | Ja |
Electronic Keying (Elektronische Codierung) | Elektronische Codierung über Programmiersoftware |
Schlüsselpositionen der abnehmbaren Klemmenleiste (Steckplatz) | 2, 5, 10 |
Unterstützung für abnehmbare Klemmenleiste | 5034-RTB18, 5034-RTB18S |
Verdrahtungskategorie (1) | 2 – Signalports 2 – Leistungsports |
Verdrahtungsspezifikation | Siehe Verdrahtungsspezifikationen für abnehmbare
Klemmenleisten in Publikation 5034-TD001,
„PointMax I/O System Specifications Technical Data“
(PointMax-E/A-System Spezifikationen und technische
Daten). |
Anzeigen | 1 grüne/rote Modulstatusanzeige 1 grüne/rote Feldspannungsversorgungs-Statusanzeige 4 gelbe/rote E/A-Statusanzeigen |
Abmessungen (H x B x T) ca. | 123,6 x 15,0 x 66,4 mm (4,87 x 0,59 x 2,61 Zoll) |
Gewicht (ca.) | 47,0 g (1,66 oz.) – 5034-OF4 49,0 g (1,73 oz) – 5034-OF4XT |
Gehäusetyp | Keine (offen) |
Nordamerikanischer Temperaturcode | T4 |
UKEX/ATEX-Temperaturcode | T4 |
IECEx-Temperaturcode | T4 |
(1) Verwenden Sie diese Daten zur Leiterkategorie für die
Planung der Leiterverlegung. Siehe Publikation 1770-4.1,
„Industrial Automation Wiring and Grounding Guidelines“
(Leitlinien zur störungsfreien Verdrahtung und Erdung von
industriellen Automatisierungssystemen). Verwenden Sie diese
Informationen zur Leiterkategorie, um die Leiterverlegung zu
planen, wie im entsprechenden Handbuch zur Installation auf
Systemebene beschrieben. |
Rückmeldung geben