Spezifikationen
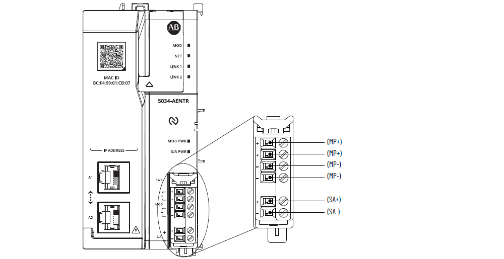
5034-AENTR und 5034-AENTRXT – Verdrahtungsplan

Attribut | 5094-AENTR, 5094-AENTRXT |
|---|---|
Anzahl der unterstützten E/A-Module | 32 Ein 5034-EXP oder 5034-EXPXT ist erforderlich, wenn mehr als
16 E/A-Module verwendet werden. |
Anzahl der unterstützten MB | 16 für 18 bis 30 V DC 8 für 10 bis 18 V DC |
MP-Spannung, nom. | 24 V DC SELV |
MP Spannungsbereich | 10 bis 30 V DC SELV |
MP Strom, nom. | 0,6 A bei 24 V DC |
MP Strom, max. | 850 mA bei 10 V DC (8 MB) 800 mA bei 18 V DC (16 MB) 500 mA bei 30 V DC (16 MB) |
Spannung und Bemessungsstrom, MP Einschaltstromstoß | 6 A für 10 ms bei 24 V DC SELV |
Spannung und Bemessungsstrom, SA | 10 bis 30 V DC SELV, 10 A Die Stromaufnahme an der abnehmbaren Klemmenleiste für die
Feldspannungsversorgung darf höchstens 10 A betragen. |
Spannung und Bemessungsstrom, Backplane | 16 V DC, 300 mA max. (8 MB) 16 V DC, 600 mA max. (16 MB) |
Feldspannungsversorgung, Strom, bei Nulllast | 2 mA |
Verlustleistung, max. | 3,6 W |
Wärmeabstrahlung, max. | 12,3 BTU/Stunde |
Isolationsspannung | 250 V (kontinuierlich), Basisisolierung, SA zu Backplane 250 V (kontinuierlich), Basisisolierung, SA zu MP 250 V (kontinuierlich), Basisisolierung, Ethernet-Port zu MP 60 V (kontinuierlich), Basisisolierung, MP zu Backplane 60 V (kontinuierlich), Basisisolierung, Ethernet-Port zu MP 60 V (kontinuierlich), Basisisolierung, Ethernet-Port zu
Backplane Keine Isolierung zwischen Ethernet-Ports |
Unterstützung für abnehmbare Klemmenleiste | Eine abnehmbare Klemmenleiste und ein Abschlussmodul sind im
Lieferumfang des Adapters enthalten. Zusätzliche abnehmbare Klemmenleisten (RTBs) in
Schraubausführung (5034-AENRTB-QTY5) und Einsteckfederausführung
(5034-AENRTBS-QTY5) können separat bestellt werden. |
Verdrahtungskategorie (1) | 2 – Leistungsports 2 – Ethernet-Ports |
Verdrahtungsspezifikation | Siehe Verdrahtungsspezifikationen für abnehmbare Klemmenleisten
in Publikation 5034-TD001, „PointMax
I/O System Specifications Technical Data“ (PointMax-E/A-System –
Spezifikationen und technische Daten). |
Anzeigen | 1 grüne/rote Modulstatusanzeige 1 grüne/rote Netzwerkstatusanzeige 2 grüne/rote Netzwerkverbindungs-Statusanzeigen 1 grüne/rote Modulbetrieb-Statusanzeige 1 grüne Feldspannungsversorgungs-Statusanzeige |
Abmessungen (H x B x T) ca. | 131,74 x 62,65 x 76 mm (5,18 x 2,46 x 2,99 Zoll) |
Gewicht (ca.) | 200 g (7,05 oz) – 5034-AENTR 202 g (7,13 oz) – 5034-AENTRXT |
Gehäusetyp | Keine (offen) |
Nordamerikanischer Temperaturcode | T4 |
UKEX/ATEX-Temperaturcode | T4 |
IECEx-Temperaturcode | T4 |
(1) Nutzen Sie diese Daten zur Leiterkategorie für die Planung
der Leiterverlegung. Siehe Publikation 1770-4.1, „Industrial
Automation Wiring and Grounding Guidelines“ (Leitlinien zur
störungsfreien Verdrahtung und Erdung von industriellen
Automatisierungssystemen). Verwenden Sie diese Informationen zur
Leiterkategorie, um die Leiterverlegung zu planen, wie im
entsprechenden Handbuch zur Installation auf Systemebene
beschrieben. | |
Rückmeldung geben